EasyManua.ls Logo

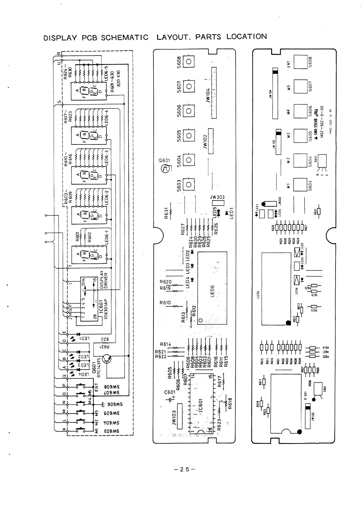
NAD 7240 - Display PCB Information

NAD 7240
25 pages
Print Icon
To Next Page IconTo Next Page
To Next Page IconTo Next Page
To Previous Page IconTo Previous Page
To Previous Page IconTo Previous Page
Loading...

Related product manuals