EasyManua.ls Logo

NAD T 741 - Multi-Channel Board U604: TC9164 AN Block Diagram; Multi-Channel Board ICs Block Diagram; Tuner Board U901: LA1837 Block Diagram

NAD T 741
64 pages
Print Icon
To Next Page IconTo Next Page
To Next Page IconTo Next Page
To Previous Page IconTo Previous Page
To Previous Page IconTo Previous Page
Loading...
49
AMPLIFIER 1
OUTPUT
INVERTING
INPUT
NON-INVERTING
INPUT
V –
AMPLIFIER 2
V +
OUTPUT
INVERTING
INPUT
NON-INVERTING
INPUT
1
2
3
4
8
7
6
5
+ – – +
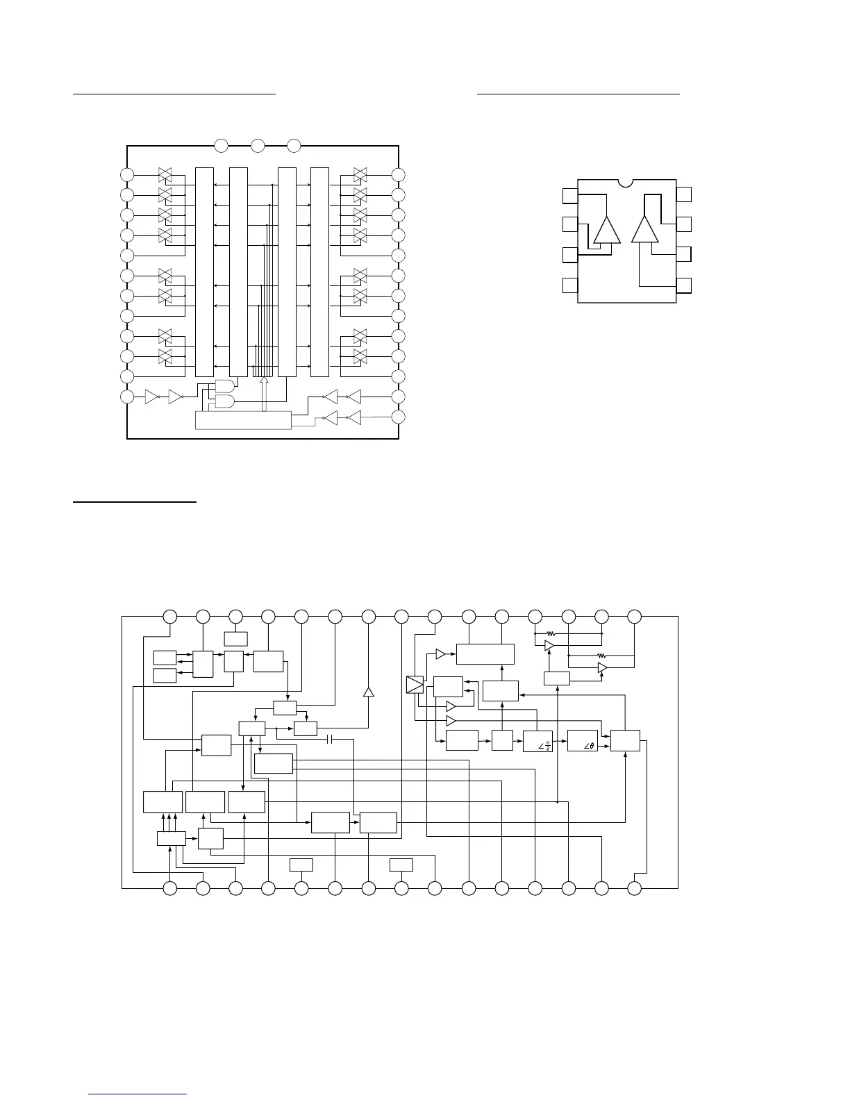
MULTI-CHANNEL BOARD
U601, U602, U606, U607, U609: NJM5532
U603, U608: NJM4558D
U701-U703: NJM4558M
1
2L-S1
VSS
SHIFT REGISTER
LEVEL SHIFTER
LEVEL SHIFTER
LATCH CIRCUIT
LATCH CIRCUIT
14
GND
28
VDD
27 R-S1
3L-S2 26 R-S2
4L-S3 25 R-S3
5L-S4 24 R-S4
6L-COM1 23 R-COM1
7L-S5 22 R-S5
8L-S6 21 R-S6
9L-COM2 20 R-COM2
10L-S7 19 R-S7
11L-S8 18 R-S8
12L-COM3 17 R-COM3
13L-ST 16 DATA
15 CK
MULTI-CHANNEL BOARD
U604: TC9164AN
TUNER BOARD
U901: LA1837
1 2 3 4 5 6 7 8 9 10 11 12 13 14 15
30 29 28 27 26 25 24 23 22 21 20 19 18 17 16
ALC
AM
OSC
AM
MIX
AM
RF.AMP
REG
AGC
AM IF
AM
S-METER
TUNING
DRIVE
STEREO
DRIVE
V
CC
V
CC
AM/FM
IF-BUFF
FM
S-METER
S-CURVE
AM IF
FM
DET
GND
FM IF INPUT
AM MIXER
OUTPUT
FM IF INPUT
BYPASS
AM IF INPUT
GND
TU-LED
ST LED
AM-IF OUTPUT
FM DETECTOR
AM NARROW CF
FM S-METER
OUTPUT
AM S-METER
OUTPUT
MUTE
FM/AM
SWITCH
PILOT V
CO
SD
COMP
DET
BUFF
DECODER
ANTI-BIRIDE
3 rd 5 th
STEREO
SW
MUTE
VCO
304kHz
FF
38k
P-DET
Ø
FM SD
ADJ
OSC
REG
AM RF
INPUT
AFC
AM AGC
AM DETECTOR
INPUT
FM DETECTOR
OUTPUT
MPX
IUTPUT
MPX
OUTPUT
MPX
OUTPUT
FM STEREO L
INPUT
FM STEREO R
INPUT
L-OUT
R-OUT
FF
19k
FF
19k
PILOT
DET

Related product manuals