EasyManua.ls Logo

NAD T748 - Page 46

NAD T748
122 pages
Print Icon
To Next Page IconTo Next Page
To Next Page IconTo Next Page
To Previous Page IconTo Previous Page
To Previous Page IconTo Previous Page
Loading...
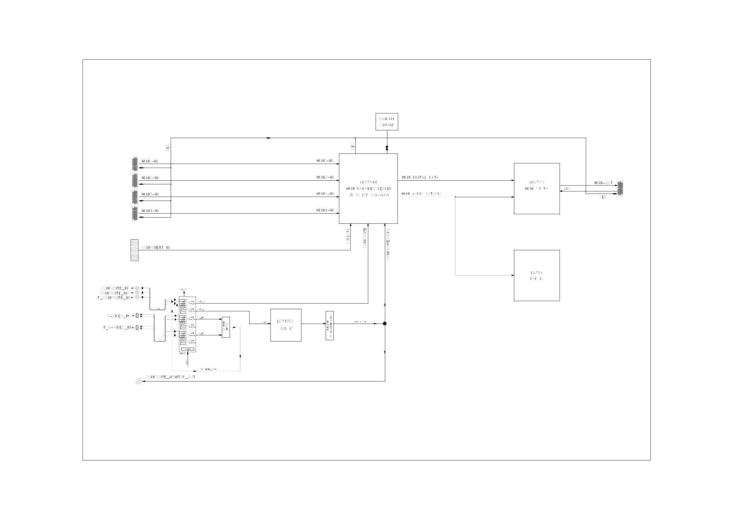
BLOCK DIAGRAM (HDMI PART)
2-36 2-37

Related product manuals