EasyManua.ls Logo

NAPCO SLE-LTEV-CFB - Wiring Diagram for SLELTEV-CFB-PS

NAPCO SLE-LTEV-CFB
20 pages
Print Icon
To Next Page IconTo Next Page
To Next Page IconTo Next Page
To Previous Page IconTo Previous Page
To Previous Page IconTo Previous Page
Loading...
8 StarLink
SLE-LTE Commercial Series Alarm Communicators -- Installation Instructions
(Commercial Fire and Commercial Burglary)
SLELTEV-CFB-PS
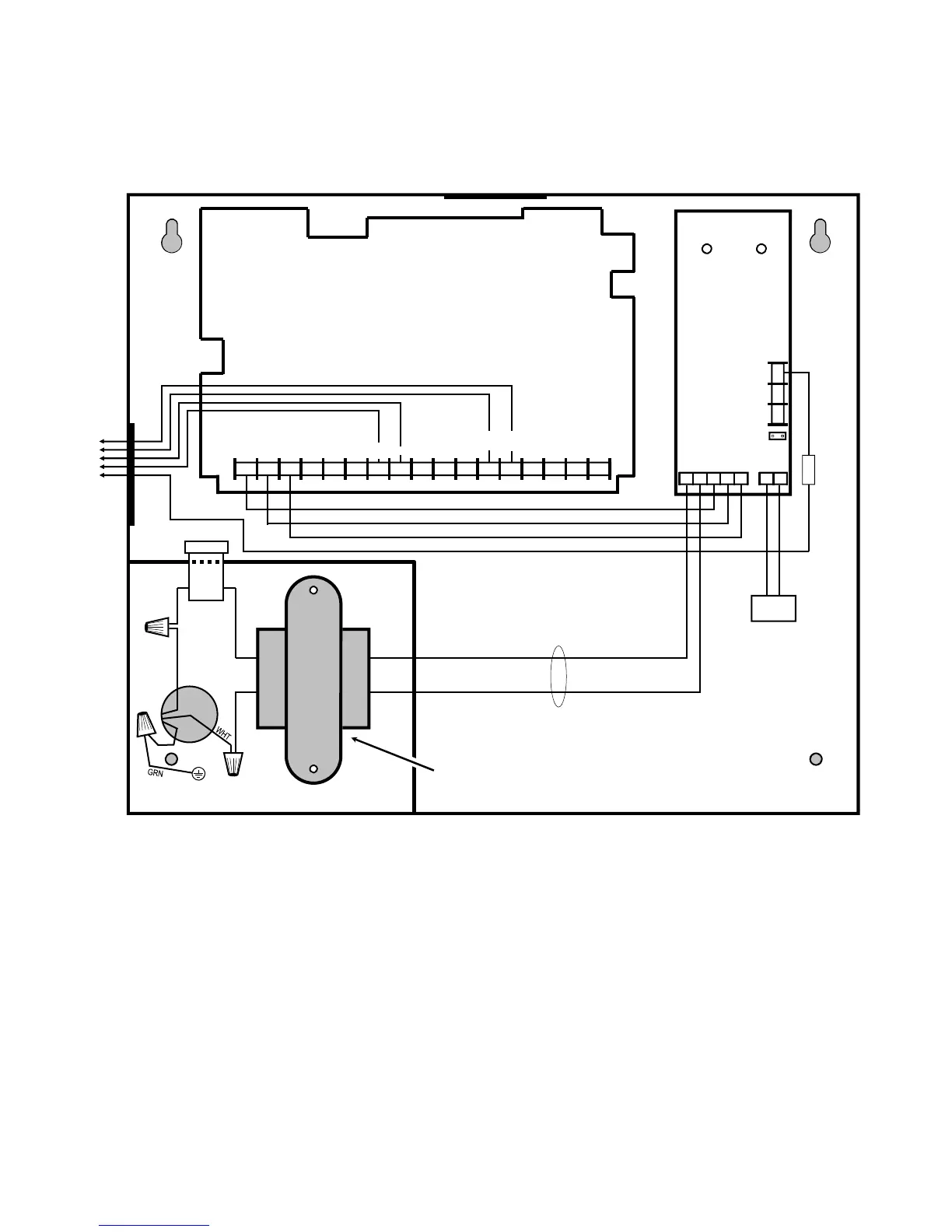
Wiring Diagram
SLELTEV-CFB-PS
PC Board
All connections are power limited except AC
Mains, Telco and battery terminals
Power Supply
(SLE-ULPS-R)
6 7 8 15 14 13 12 11 9 10 2* 3 4 5 1*
+V
()
PGM1 PGM2 PGM3 IN3 RING TIP
17 16
RTS
(R)
PANEL
TX (B)
PANEL
RX (G)
CTS
Y
Yellow
Trouble
LED
Green AC
ON LED
+ BAT –
RED BLK
6 7 2 3 4 5 1
8 9 10
N/C
COM
N/O
Black ()
Red (+)
Battery
.5A
Fuse
PANEL
RING
PANEL
TIP
GND
(To
control
panel*)
16.5VAC
Class 2
*Notes:
 Connect the StarLink radio to the control panel output for Telco Trouble (this is the DACT interconnect wiring to the
radio). Remember to program the StarLink communicator module to report this IN2 Telco Trouble and for line cut
(EOLR) to the central station (options 1 or 4 on page 17). In addition, always add an EOLR at the control panel Telco
Trouble Output (Fire Aux Relay for the GEMC control panels).
 Use EOLR value as specified by the control panel installation instructions.
 IN1 not supervised. IN2 and IN3 are supervised.
 Licensed electrician required to wire the 120VAC connections to the transformer in accordance with N.E.C. and local
code requirements.
 Route 120VAC only through the transformer compartment knockouts.
 Keep all non-power limited wiring separate from all power-limited wiring inside the housing by 1/4". In addition, maintain
a minimum 1/4" separation of all primary wiring in the transformer compartment from the yellow secondary wires of the
transformer.
 Remove shunt J2 to isolate relay common from ground (i.e. jumper on = wet (circuit common); off = dry contact). When
wet, configuration is used; the power should be derived from the alarm control panel.
 StarLink module must be configured to trigger PGM1 on any trouble.
 PGM1 of the StarLink module must be wired to the trouble input (terminal 5) of the power supply.
 The Power Supply Trouble Output must be wired to a control panel zone dedicated to a LTE trouble; see control panel
programming instructions and program to Report Alarm / Alarm Restore / Trouble / Trouble Restore.
IN1
+ 12V
AC IN
Note: Maintain
minimum 1/4"
separation of
battery leads from
all other wiring.
EOLR*
IN1
J2
Remove shunt J2 to isolate relay
common from ground (i.e. jump-
er on = wet; off = dry contact)
Chassis Mounted 16.5VAC / 20VA Transformer
BLK
Note: Maintain minimum 1/4" separation
of all wiring in this compartment from the
yellow wires of the transformer.
Terminals 14-17: No connections permitted .
Relay con-
tacts rated
max 30VDC,
0.5A
12VDC
output is
power limited
(Earth Ground)
IN2*
Note: Connect IN2 to a
panel output used for
identifying Telco line cut (this
is the DACT interconnect
wiring to the radio).

Related product manuals