EasyManua.ls Logo

Nat PTA12-300 - Page 16

Nat PTA12-300
34 pages
Print Icon
To Next Page IconTo Next Page
To Next Page IconTo Next Page
To Previous Page IconTo Previous Page
To Previous Page IconTo Previous Page
Loading...
DESIGNED
SRK
DRAWN
MWS srrat
NORTHERN ATRBoRNE TECHNOT0GY
rTD.
DATE
N,lI
255
CHECKED
{AT
205
TLE
POTS
TELEPHONE ADAPTER
WITH NVIS DISPLAY
APPROVED
114
SIZE
A
CAGE CODE
3AB01
PART NO.
PTAl 2-300
REV
1 00
SHEET
2/5
F|LE
405-0.DWG
DWG. TYPE
INÏERCONNECT
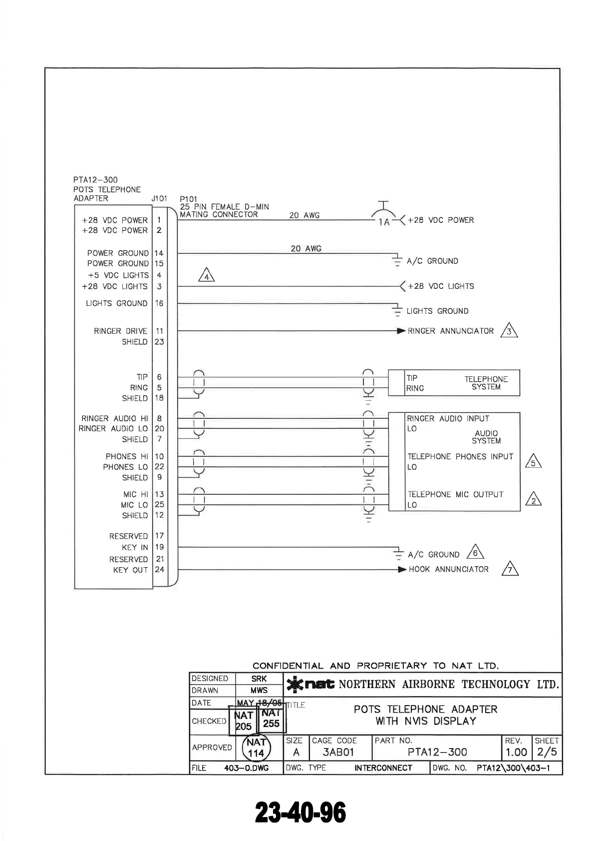
PTAl 2-300
POTS
TELEPHONE
ADAPTER J1 01
P1 01
25 PIN FEMALE D-MIN
MATING CONNECTOR
20 AWG
+28
VDC POWER
A
A/C
GROUND
+28 VDC LIGHTS
LIGHTS GROUND
RTNGER OrU*r*.'O.O*
/\
=
A
A
¡,zc cnouuo
/\
HOOK ANNUNCIATOR
A
CONFIDENTIAL
AND
PROPRIETARY TO NAT LTD
TELEPHONE
SYSTEM
TIP
RING
lt tt
RINGER
AUDIO INPUT
Lo
AUDro
SYSTEM
TELEPHONE
PHONES INPUT
LO
TELEPHONE MIC
OUTPUT
LO
1+
15
4
3
11
23
o
tr
18
8
20
-7
10
22
I
13
25
12
17
1S
21
24
1
2
6
1
POWER GROUND
POWER GROUND
+5 VDC LIGHTS
+28 VDC LIGHTS
LIGHTS GROUND
RINGER DRIVE
SHIELD
RINGER AUDIO HI
RINGER AUDIO LO
SHIELD
PHONES
HI
PHONES LO
SHIELD
RESERVED
KEY
IN
RESERVED
KEY
OUT
C POWER
C POWER
+28 VD
+28 VD
TIP
RING
SHIELD
[/tc Ht
MIC LO
SHIELD
DWG. N0.
PTA12\300\403-1
The document reference is online, please check the correspondence between the online documentation and the printed version.

Related product manuals