EasyManua.ls Logo

Nat PTA12-300 - Page 17

Nat PTA12-300
34 pages
Print Icon
To Next Page IconTo Next Page
To Next Page IconTo Next Page
To Previous Page IconTo Previous Page
To Previous Page IconTo Previous Page
Loading...
DESIGNED
SRK
DRAWN MW5 Snat
NoRTHERN
ATRBoRNE TECHNorocy
LTD
MÅY ¡¡./¡5
DATE
NAI
255
CHECKED
,lAT
205
TLE
POTS TELEPHONE ADAPTER
WITH NVIS DISPLAY,
STXIOO
OPTION
APPROVED
114
SIZE
A
CAGE CODE
3ABO1
PART NO.
PTA12-300
REV.
1 00
SHEET
s/5
FrLE
403-o.DWc
DWG, TYPE
INTERCONNECT
tt
tt
__Y
V
tt
tl
__\/
V
tt lt
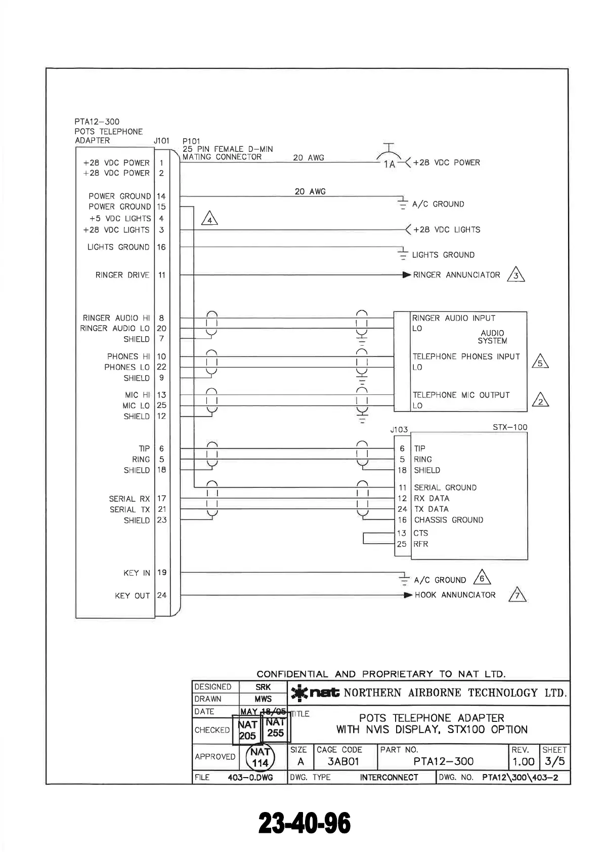
RINGER
AUDIO
INPUT
Lo
AUDro
SYSTEM
TELEPHONE PHONES INPUT
LO
TELEPHONE MIC OUTPUT
LO
tt
tt
tt tt
6
5
18
11
12
24
tb
'1
3
25
TIP
RING
SHIELD
SERIAL GROUND
RX DATA
TX DATA
CHASSIS GROUND
CTS
RFR
1
2
14
15
4
3
1 o
1
1
8
20
7
10
22
13
25
12
6
5
18
17
21
23
1
o
24
+28 VDC
POWER
+28 VDC POWER
POWER
GROUND
POWER
GROUND
+5 VDC LIGHTS
+28 VDC LIGHTS
LIGHTS GROUND
RINGER DRIVE
RINGER AUDIO
RINGER AUDIO LO
SHIELD
PHONES HI
PHONES LO
SHIELD
N/tc
Ht
MIC
LO
SHIELD
TIP
RING
SHIELD
SERIAL RX
SERIAL TX
SHIELD
KEY
IN
KEY OUT
PTAl 2-500
POTS
TELEPHONE
ADAPTER
J1 01
P10'l
25 PIN FEMALE D-MIN
N/lATING CONNECTOR
20 AWG
+28 VDC POWER
20 AWG
A
A1C GROUND
+28 VDC LIGHTS
LIGHTS GROUND
RTNGER
O**U*.'OtO*
A
A
A
J1
03
STX_1
OO
o,ra a*or*o
A
HOOK ANNUNCIATOR
CONFIDENTIAL AND PROPRIETARY TO NAT LTD
DWc. No.
PTA12\Joo\4os-2
The document reference is online, please check the correspondence between the online documentation and the printed version.

Related product manuals