EasyManua.ls Logo

National Instruments 622 Series - Page 60

National Instruments 622 Series
297 pages
Print Icon
To Next Page IconTo Next Page
To Next Page IconTo Next Page
To Previous Page IconTo Previous Page
To Previous Page IconTo Previous Page
Loading...
© National Instruments | 4-15
M Series User Manual
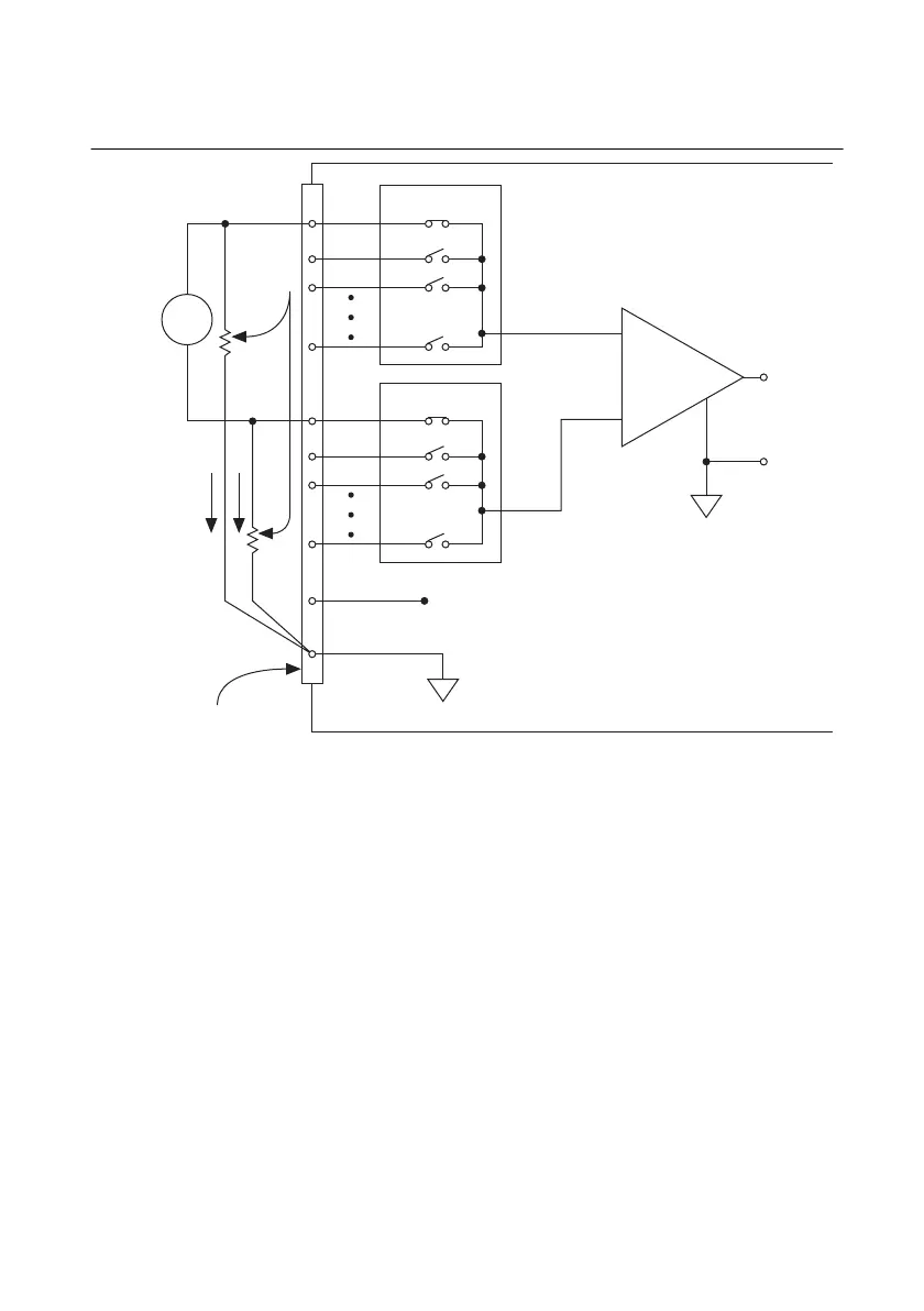
Figure 4-6. Differential Connections for Floating Signal Sources with
Balanced Bias Resistors
Both inputs of the NI-PGIA require a DC path to ground in order for the NI-PGIA to work. If
the source is AC coupled (capacitively coupled), the NI-PGIA needs a resistor between the
positive input and AI GND. If the source has low-impedance, choose a resistor that is large
enough not to significantly load the source but small enough not to produce significant input
offset voltage as a result of input bias current (typically 100 k to 1 M). In this case, connect
the negative input directly to AI GND. If the source has high output impedance, balance the
signal path as previously described using the same value resistor on both the positive and
negative inputs; be aware that there is some gain error from loading down the source, as shown
in Figure 4-7.
M Series Module/Device Configured in Differential Mode
PGIA
+
+
+
Floating
Signal
Source
Bias
Current
Return
Paths
AI GND
AI SENSE
Input Multiplexers
Measured
Voltage
Instrumentation
Amplifier
AI+
AI–
I/O Connector
Bias
Resistors
(see text)
V
s
V
m

Table of Contents

Related product manuals