EasyManua.ls Logo

National Instruments NI PCI-6510 - Page 54

National Instruments NI PCI-6510
68 pages
Print Icon
To Next Page IconTo Next Page
To Next Page IconTo Next Page
To Previous Page IconTo Previous Page
To Previous Page IconTo Previous Page
Loading...
4-8 | ni.com
Chapter 4 Power Connections
power supply. Failure to do so could permanently damage the NI 6513 device and the
power supply if it is not protected.
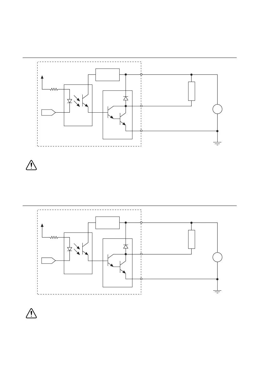
Figure 4-11. NI 6513 Output Signal Connection Example
Caution Make sure that P<4..7>.COM (VCC) is connected to the positive pole of
the power supply and that P<4..7>.GND is connected to the negative pole of the
power supply. Failure to do so could permanently damage the NI 6515 device and the
power supply if it is not protected.
Figure 4-12. NI 6515 Output Signal Connection Example
Caution Make sure that COM (VCC) is connected to the positive pole of the
power supply and that GND is connected to the negative pole of the power supply.
Failure to do so could permanently damage the NI 6517 device and the power supply
if it is not protected.
Voltage
Regulator
P<0..7>.COM (VCC)
P<0..7>.<0..7>
P<0..7>.GND
+
DC
LOAD
+5 V ~ +30 V
Output
Photocoupler
+3.3 V
NI 6513
Darlington
Driver
Voltage
Regulator
P<4..7>.COM (VCC)
P<4..7>.<7..0>
P<4..7>.GND
+
DC
LOAD
+5 V ~ +30 V
Output
Photocoupler
+3.3 V
NI 6515
Darlington
Driver

Table of Contents

Related product manuals