EasyManua.ls Logo

National Instruments PXI-6289 - Page 238

National Instruments PXI-6289
298 pages
To Next Page IconTo Next Page
To Next Page IconTo Next Page
To Previous Page IconTo Previous Page
To Previous Page IconTo Previous Page
Loading...
© National Instruments | B-13
M Series User Manual
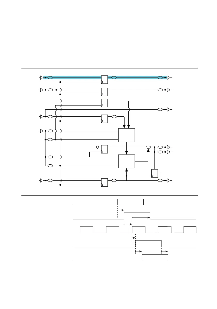
Reference Trigger
Use the Reference Trigger to stop the acquisition. It is normally used in pretrigger acquisitions;
it is necessary to acquire data before and after the trigger. The Reference Trigger signals the time
when the AI timing engine starts counting the number of posttrigger conversions to take before
stopping. The Reference Trigger can come from external or internal sources and its source is
selected with a multiplexer. Its output is called the Selected Reference Trigger.
Figure B-13. Reference Trigger and the Analog Input Timing Engine
Figure B-14. Reference Trigger Timing Diagram
Start Trigger
Terminal
Selected Reference Trigger
Reference Trigger
Terminal
Terminal
Selected Sample Clock
Terminal
Terminal
Terminal
Selected Start Trigger
RTSI
Terminal
Terminal
Terminal
Selected Pause Trigger
SI
Counter
Block
SI2
Counter
Block
SI_TC
Sample Clock Timebase
Sync Sample Clock Timebase
Convert Clock Timebase
Sync Convert Clock Timebase
p_AI_Convert
Start
1
SI2_TC
SI Start
POUT
Pause Trigger
_i
POUT
Selected Reference Trigger
Sync Convert Clock Timebase
Reference Trigger
t
22
t
26
t
26
t
25
t
24
t
23

Table of Contents

Related product manuals