EasyManua.ls Logo

NEC DTU-70 - Page 67

NEC DTU-70
80 pages
Print Icon
To Next Page IconTo Next Page
To Next Page IconTo Next Page
To Previous Page IconTo Previous Page
To Previous Page IconTo Previous Page
Loading...
GWP-G22996
3 - 19
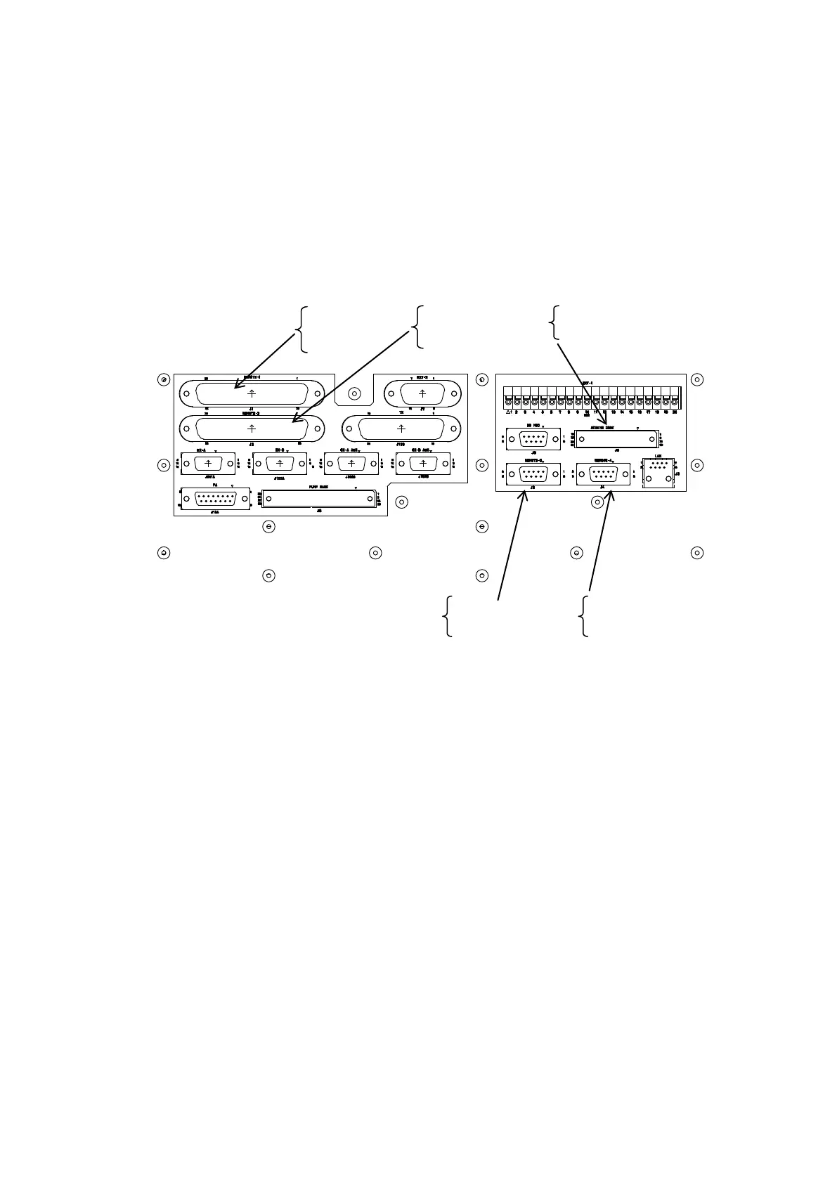
3-7-4 Control Line
There are two types of interface for connection with external remote control, parallel
(relay contact) type and serial communication type. Both types make interface with
external control equipment through an interface board of TX control. The interface
board is shown in Fig. 3-9. The interface board is mounted on the rear side of the TX
control.
Fig. 3-9 Rear side view of TX control
J4
Serial Communication on
Interface (RS-485) for daisy chain
J1
Parallel interface
(Command)
J2
Parallel interface
(Status)
J3
Serial Communication on
Interface (RS-232C/485)
J5
System Control