EasyManua.ls Logo

NEC MT1075/MT1065 - Making Connections; Connecting PC or Macintosh Computer; DVI Digital Signal Connection

NEC MT1075/MT1065
69 pages
Print Icon
To Next Page IconTo Next Page
To Next Page IconTo Next Page
To Previous Page IconTo Previous Page
To Previous Page IconTo Previous Page
Loading...
E-14
Making Connections
NOTE: When using with a notebook PC, be sure to connect between the projector and the notebook PC before turning on the power to the notebook PC. In most
cases signal cannot be output from RGB output unless the notebook PC is turned on after connecting with the projector.
* If the screen goes blank while using your remote control, it may be the result of the computer's screen-saver or power management software.
* If you accidentally hit the POWER button on the remote control, wait 90 seconds and then press the POWER button again to resume.
When Viewing a DVI Digital Signal:
To project a DVI digital signal, be sure to connect the PC and the projector using a DVI-D signal cable (not supplied) before turning on your PC or
projector. Turn on the projector first and select DVI (DIGITAL) from the source menu before turning on your PC.
Failure to do so may not activate the digital output of the graphics card resulting in no picture being displayed. Should this happen, restart your PC.
Do not disconnect the DVI-D signal cable while the projector is running. If the signal cable has been disconnected and then re-connected, an image
may not be correctly displayed. Should this happen, restart your PC.
NOTE:
Use the DVI-D cable compliant with DDWG (Digital Display Working Group) DVI (Digital Visual Interface) revision 1.0 standard. The DVI-D cable should be within
5 m (196") long.
The DVI (DIGITAL) connector accepts VGA (640x480), SVGA (800x600), 1152x864, XGA (1024x768) and SXGA (1280x1024 @ up to 60Hz).
PHONE
PHONE
DVI IN
RGB 2 IN
RGB 1 IN
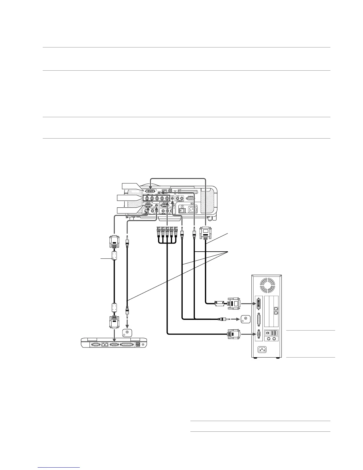
Connecting Your PC or Macintosh Computer
Audio cable (not supplied)
IBM VGA or Compatibles (Notebook type)
or Macintosh (Notebook type)
IBM PC or Compatibles (Desktop type)
or Macintosh (Desktop type)
RGB signal cable (supplied)
To mini D-Sub 15-pin connec-
tor on the projector. It is recom-
mended that you use a com-
mercially available distribution
amplifier if connecting a signal
cable longer than the supplied
one.
NOTE: For older Macintosh,
use a commercially available
pin adapter (not supplied) to
connect to your Mac's video
port.
Connecting your PC or Macintosh computer to your projector will en-
able you to project your computer's screen image for an impressive pre-
sentation.
To connect to a PC or Macintosh, simply:
1. Turn off the power to your projector and computer.
2. Use the supplied signal cable to connect your PC or Macintosh to the
projector.
3. Turn on the projector and the computer.
4. If the projector goes blank after a period of inactivity, it may be caused
by a screen saver installed on the computer you've connected to the
projector.
Connecting to RGB 2 IN connectors
Use a BNC5 cable to connect your PC and the RGB 2 IN connectors
on your projector.
Connecting Your PC with a DVI Connector
Use a DVI-D signal cable (not supplied) to connect a DVI connector of
your PC to the projector.
NOTE: The MT1075/MT1065 is not compatible with video decoded outputs of
NEC ISS-6020 and ISS-6010.
DVI-D cable (not supplied)

Table of Contents

Related product manuals