EasyManua.ls Logo

NEC VT58 - Connecting Your VCR or Laser Disc Player

NEC VT58
77 pages
Print Icon
To Next Page IconTo Next Page
To Next Page IconTo Next Page
To Previous Page IconTo Previous Page
To Previous Page IconTo Previous Page
Loading...
17
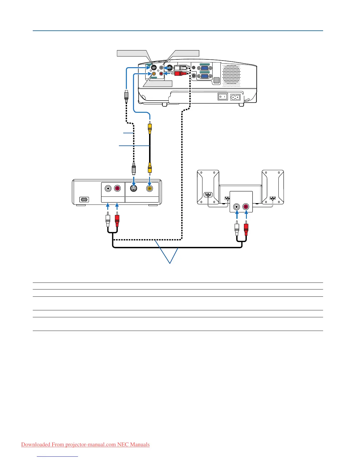
2. Installation and Connections
Connecting Your VCR or Laser Disc Player
NOTE: The AUDIO IN L/MONO and R jacks (RCA) are shared between the Video and S-Video inputs.
NOTE: Refer to your VCR or laser disc player owner's manual for more information about your equipment's video output
requirements.
NOTE: An image may not be displayed correctly when a Video or S-Video source is played back in fast-forward or fast-rewind via
a scan converter.
AUDIO IN
LR
AUDIO OUT
L R
VIDEO OUT
S-VIDEO VIDEO
E
X
I
T
O
N
/
S
T
A
N
D
B
Y
A
U
T
O
A
D
J
.
S
O
U
R
C
E
AUDIO OUT
AUDIO IN
COMPUTER 2 IN
COMPUTER 1 IN
MONITOR OUT(COMP 1)
AUDIO IN
VIDEO IN
PC CONTROL
L
R
S-VIDEO
IN
VIDEO IN
S-VIDEO IN
AUDIO IN
S-Video cable (not supplied)
Video cable (not supplied)
VCR/ Laser disc player
Audio equipment
Audio cable (not supplied)
Downloaded From projector-manual.com NEC Manuals

Table of Contents

Other manuals for NEC VT58

Related product manuals