EasyManua.ls Logo

Neptronic EVCBM14NIT2S - Operation Mode

Neptronic EVCBM14NIT2S
20 pages
Print Icon
To Next Page IconTo Next Page
To Next Page IconTo Next Page
To Previous Page IconTo Previous Page
To Previous Page IconTo Previous Page
Loading...
Networkable Dual Duct VAV Controller
Specification and Installation Instructions
www.neptronic.com EVCBM Dual Duct Page | 15
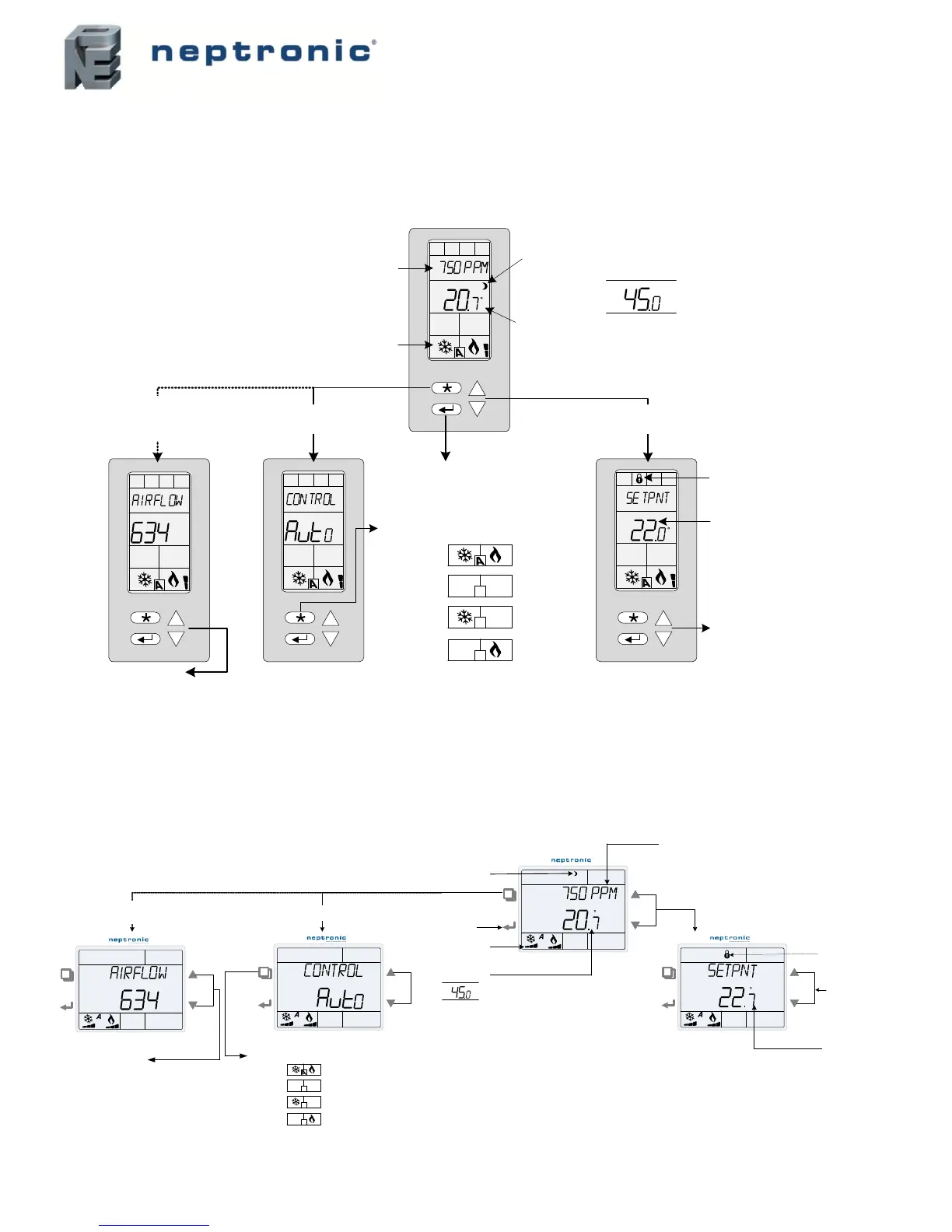
Operation Mode
The Mode Selector Jumper (JP1) of the thermostat must be set to the “RUN” position (Operation Mode). Refer to Wiring on
page 6.
TRL24
TDU
Press to toggle
between °C and °F
Actual demand
C
Appears if setpoint
adjustment is locked
Change setpoint
value
C
Press once to
display control mode
Press for 5 sec.
to display air flow
(if using pressure sensors )
Exits after 5 sec. Exits after 3 sec.
Press twice to
display setpoint
Setpoint
value
Press to change mode :
- Auto
- Off
- Cool only
- Heat only
Appears if in Night Setback (NSB) or Occupancy
(OCC) mode. Flashes if overridden by user .
CO
2
reading in ppm
(CO
2
display option must be enabled in
programming mode )
%RH
Room
temperature
Alternates between room temperature for 8 sec
and then room humidity for 2 sec.
(requires Humidity sensor thermostats )
Toggle between :
- Airflow 1 (master)
- Airflow 2 (slave)
- Airflow 1 setpoint (master)
- Airflow 2 setpoint (slave)
- Air supply temp
Exits after 5 sec.
C
Actual demand
Room
temperature
Appears if in Night Setback (NSB) or
Occupancy (OCC) mode. Flashes if overridden
by user.
%RH
Alternates between room temperature for 8 sec and then
room humidity for 2 sec.
(requires Humidity sensor thermostats)
Press for 5 sec.
to display air flow
(if using pressure sensors )
Press to toggle between
°C and °F
Press once to display
control mode
C
Scroll through the following values :
- Airflow 1 (master)
- Airflow 2 (slave)
- Airflow 1 setpoint (master)
- Airflow 2 setpoint (slave)
- Air supply temp
Exits after 5 sec.
Exits after 5 sec.
Press to change mode:
- Auto
- Off
- Cool only
- Heat only
CO
2
reading in ppm
(CO
2
display option must be enabled in
programming mode )
Press twice to
display setpoint
Appears if setpoint
adjustment is locked
Change setpoint value
Setpoint value
Exits after 3 sec.

Related product manuals