EasyManua.ls Logo

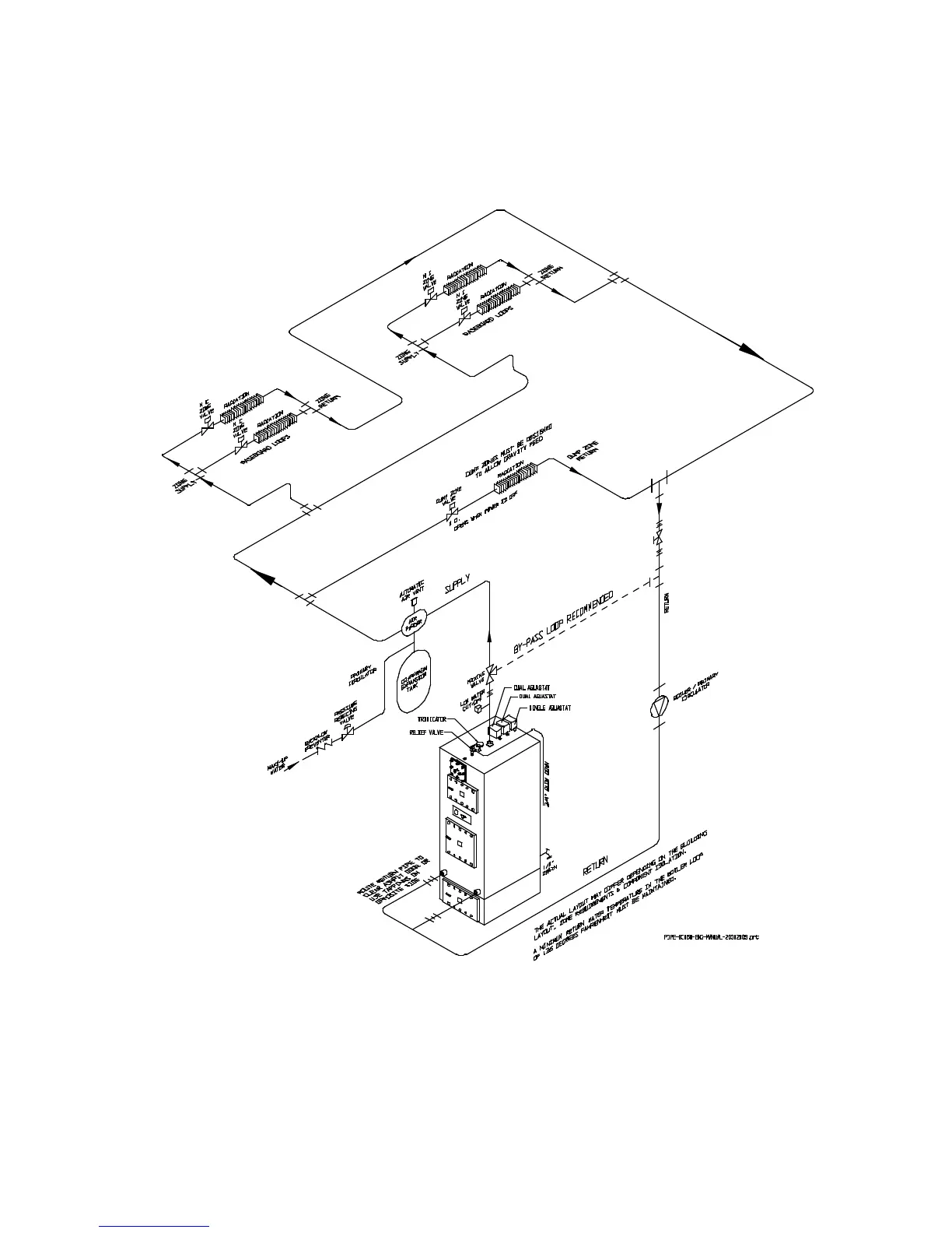
Newmac BC 160 - Typical Piping - Zoning with Zone Valves

Newmac BC 160
50 pages
Print Icon
To Next Page IconTo Next Page
To Next Page IconTo Next Page
To Previous Page IconTo Previous Page
To Previous Page IconTo Previous Page
Loading...
34
Diagram #16B
TYPICAL PIPING - ZONING WITH ZONE VALVES

Table of Contents