EasyManua.ls Logo

Nexo RS15

Nexo RS15
58 pages
To Next Page IconTo Next Page
To Next Page IconTo Next Page
To Previous Page IconTo Previous Page
To Previous Page IconTo Previous Page
Loading...
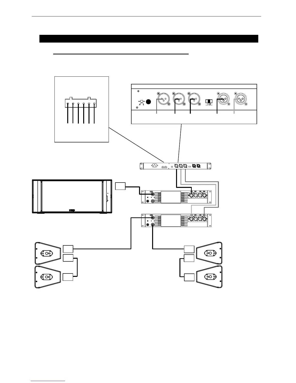
Page 20/58 CONNECTION DIAGRAMS
5 CONNECTION DIAGRAMS
5.1 RS15 with GEOS12 TDController (Mono Omni Mode)
AMPLIFIER 1
AMPLIFIER 2
MONO
STEREO
Speakon 4
1 (+) / 1 (-) VLF1 *
2 (+) / 2 (-) VLF2 *
Speakon 4
Speakon 4
Speakon 4
Speakon 4
1 (+) / 1 (-) N.C.
2 (+) / 2 (-) FULL RANGE
Speakon 4
1 (+) / 1 (-) VLF
2 (+) / 2 (-) N.C.
TO AMPLIFIERS
B
ALANC
E
D IN
P
UT
S
RIGHT
LEFT
-
6dB
-
12dB
0dB
OUT
P
UT
L
E
V
E
L
B
ALANC
E
D OUT
P
UT
S
RIGHT LEFTSUB L+R
E
A
R
TH
LI
F
T
FROM AMPLIFIERS
+ 3-
+ 2 - + 1 -
S
E
N
S
E
IN
P
UT
(from amp terminals)
CAUTION
!
Sense must be connected for
speaker protection
SEE USER MANUAL
STEREO
IN
GEOS12
LEFT
GEOS12
RIGHT
SUB
OUT
GEOS12
LEFT
GEOS12
RIGHT
SUB
* VLF1 and VLF2 on one amplifier channel

Table of Contents

Other manuals for Nexo RS15

Related product manuals