EasyManua.ls Logo

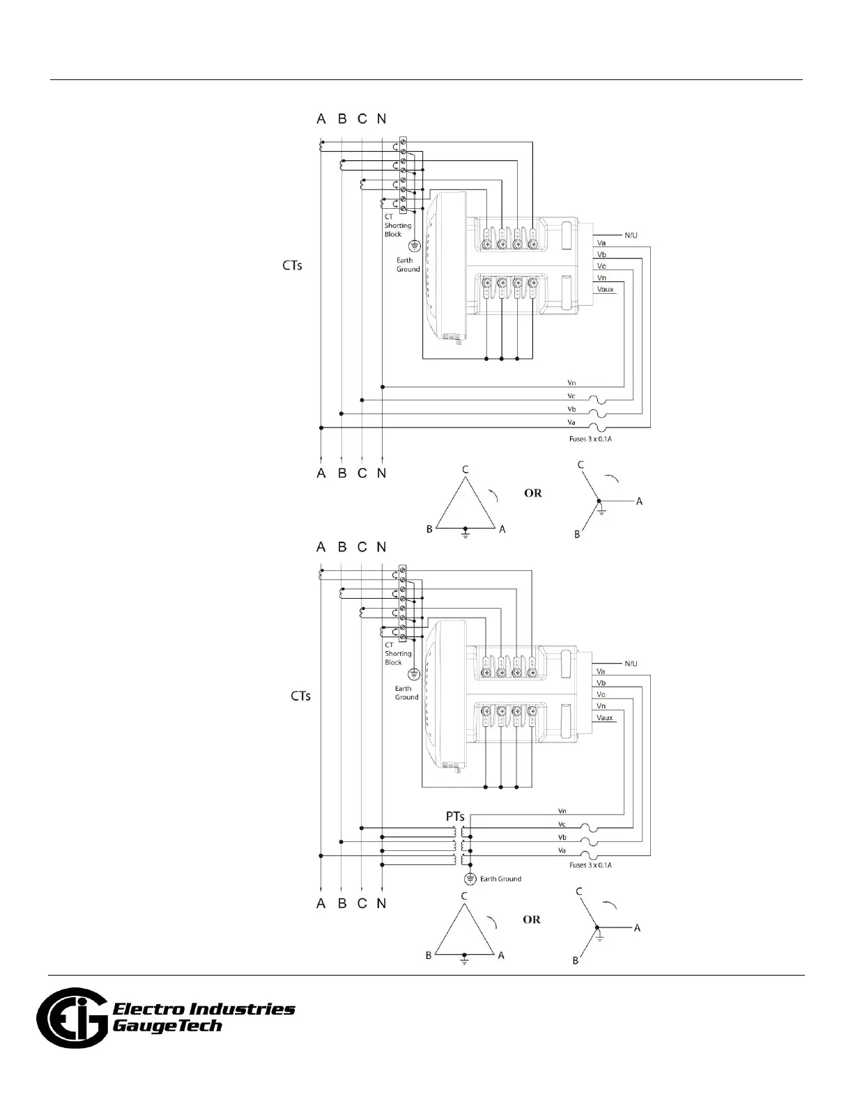
Nexus 1500+ - Wye;Delta Electrical Installation Diagrams; Wye;Delta Direct 3 Phase, 4-Wire Wiring; Wye;Delta with PTs 3 Phase, 4-Wire Wiring

Nexus 1500+
7 pages
Print Icon
To Next Page IconTo Next Page
To Next Page IconTo Next Page
To Previous Page IconTo Previous Page
To Previous Page IconTo Previous Page
Loading...
Nexus® 1500+ Meter Quickstart Guide
Doc# E154714 V.1.07 Q-3
WYE or DELTA Direct 3 Phase,
4-wire
* Optional CT for Current Measurement Only
*
*
WYE or DELTA with PTs 3 Phase,
4-wire
*

Related product manuals