EasyManua.ls Logo

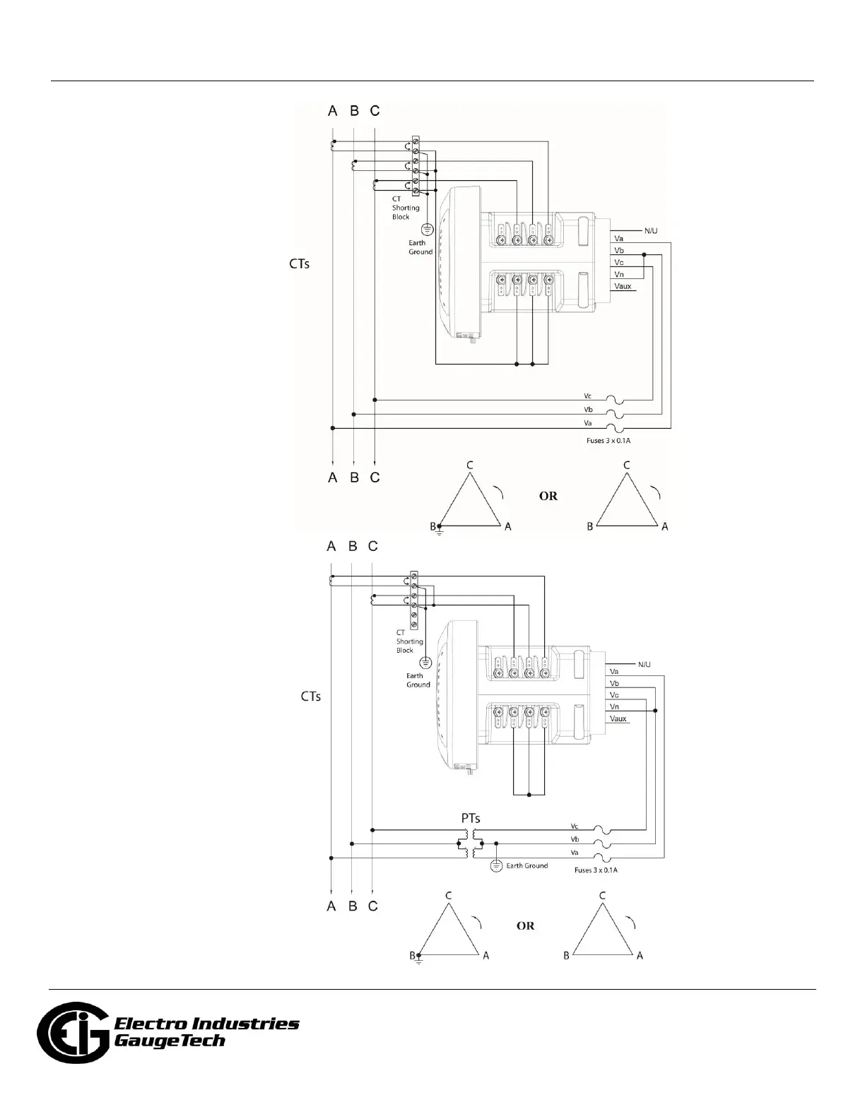
Nexus 1500+ - Delta Electrical Installation Diagrams; Delta Direct 3 Phase, 3-Wire Wiring; Delta with PTs 3 Phase, 3-Wire Wiring

Nexus 1500+
7 pages
Print Icon
To Next Page IconTo Next Page
To Next Page IconTo Next Page
To Previous Page IconTo Previous Page
To Previous Page IconTo Previous Page
Loading...
Nexus® 1500+ Meter Quickstart Guide
Doc# E154714 V.1.07 Q-4
DELTA Direct 3 Phase, 3-wire
DELTA with PTs, 3 Phase, 3-wire

Related product manuals