EasyManua.ls Logo

Nice RDF-140-20

Nice RDF-140-20
56 pages
To Next Page IconTo Next Page
To Next Page IconTo Next Page
To Previous Page IconTo Previous Page
To Previous Page IconTo Previous Page
Loading...
EN
English – 15
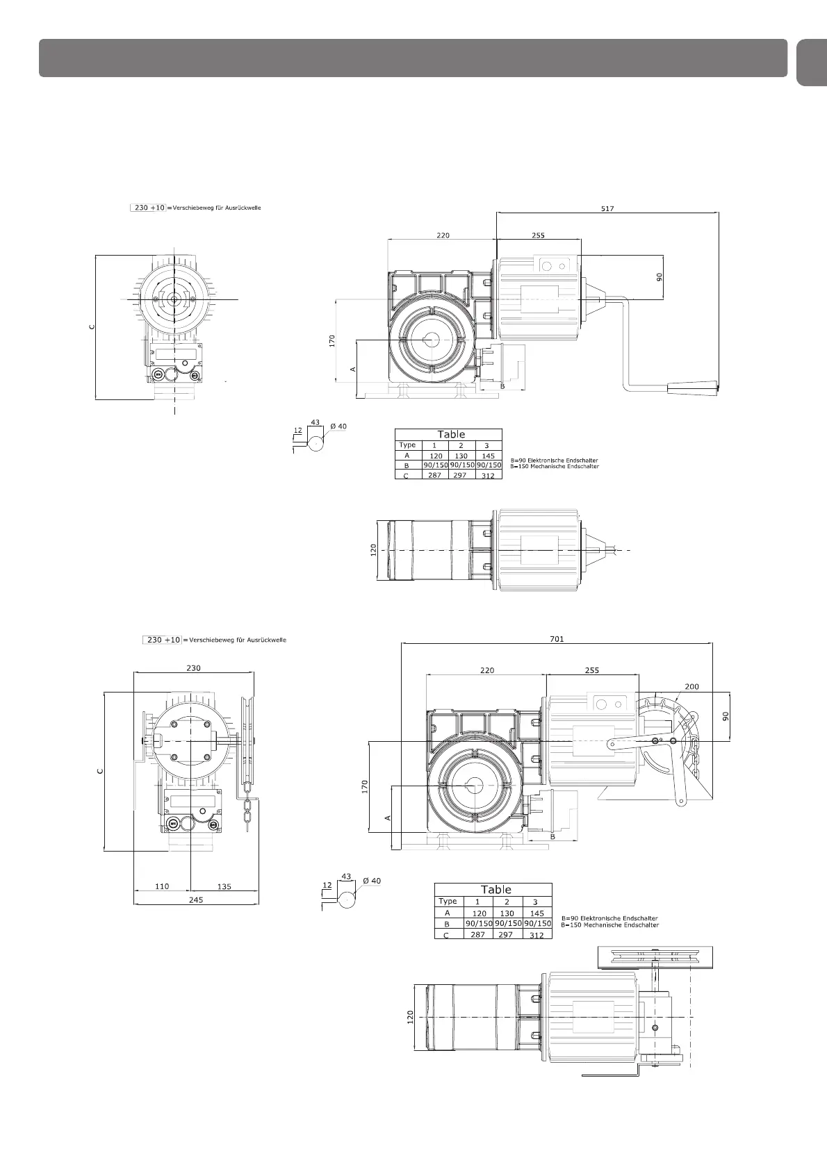
DIMENSIONED DRAWINGS OF GEARMOTORS FOR ROLLING SHUTTERS
RDF-380/450-15-KU
RDF-380/450-15-KE2
Gearmotors with handle and chain
Ø 12mm

Related product manuals