EasyManua.ls Logo

Nice RDF-140-20

Nice RDF-140-20
56 pages
To Next Page IconTo Next Page
To Next Page IconTo Next Page
To Previous Page IconTo Previous Page
To Previous Page IconTo Previous Page
Loading...
16 – English
EN
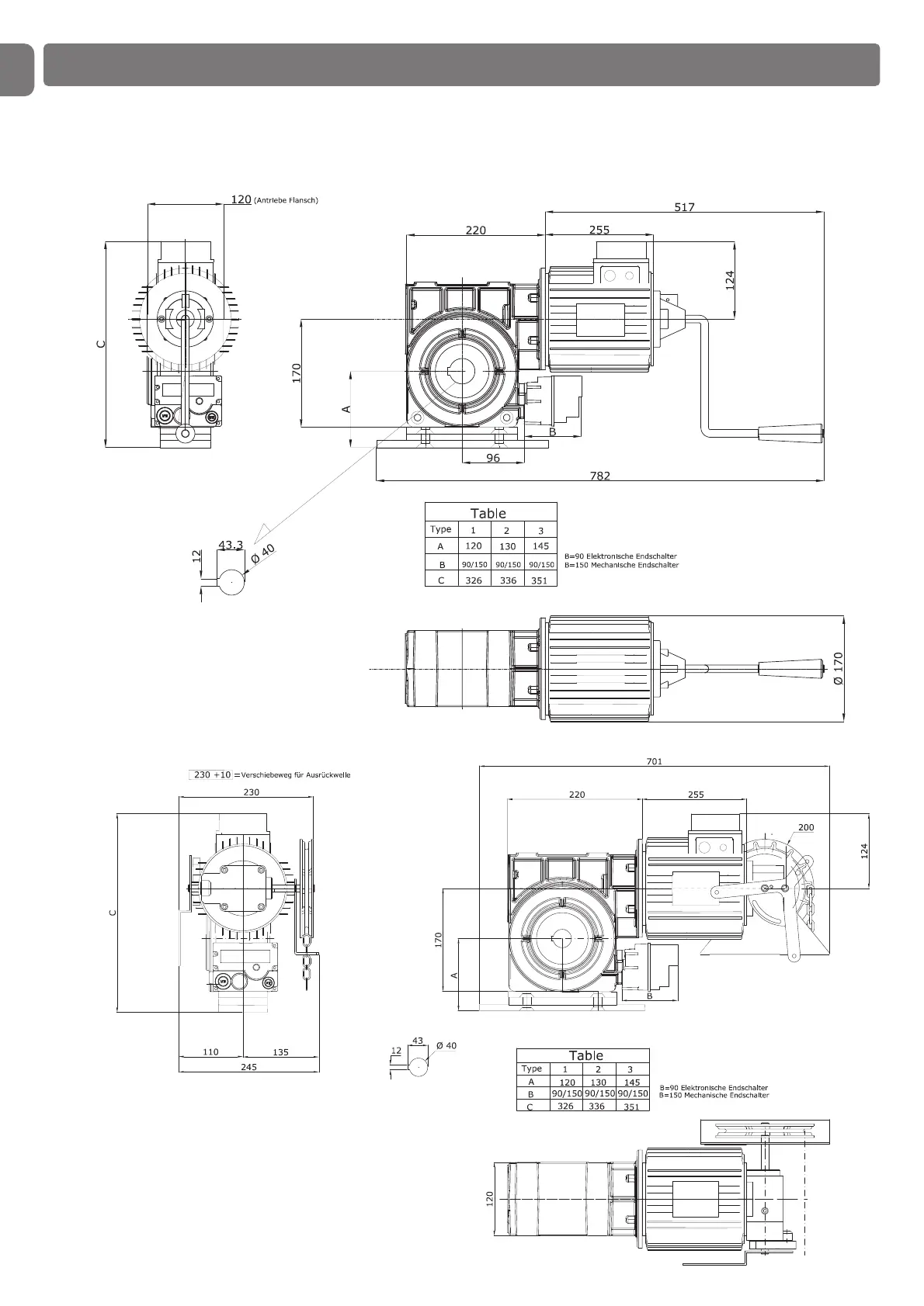
DIMENSIONED DRAWINGS OF GEARMOTORS FOR ROLLING SHUTTERS
Gearmotors with handle and chain
Ø 12mm
RDF-550-12-KU
RDF-550-12-KE2

Related product manuals