EasyManua.ls Logo

Nice RDF-140-20

Nice RDF-140-20
56 pages
To Next Page IconTo Next Page
To Next Page IconTo Next Page
To Previous Page IconTo Previous Page
To Previous Page IconTo Previous Page
Loading...
20 – English
EN
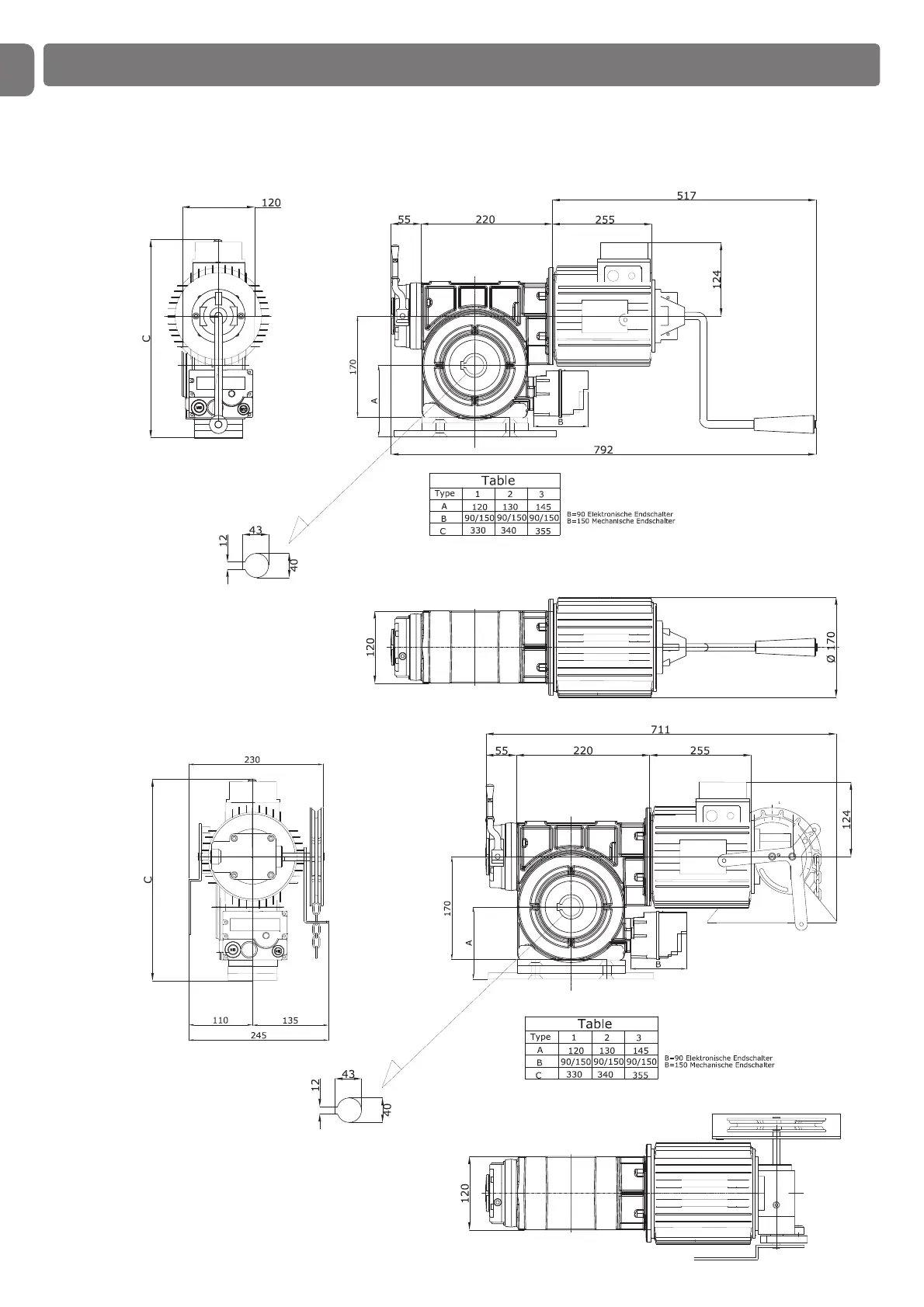
DIMENSIONED GEARMOTOR DRAWINGS FOR ROLLING SHUTTERS
RDF-250-24-KU
RDF-250-24-KE2
Gearmotors with handle and chain
Ø 12mm

Related product manuals