EasyManua.ls Logo

Nice RDF-140-20

Nice RDF-140-20
56 pages
To Next Page IconTo Next Page
To Next Page IconTo Next Page
To Previous Page IconTo Previous Page
To Previous Page IconTo Previous Page
Loading...
EN
English – 21
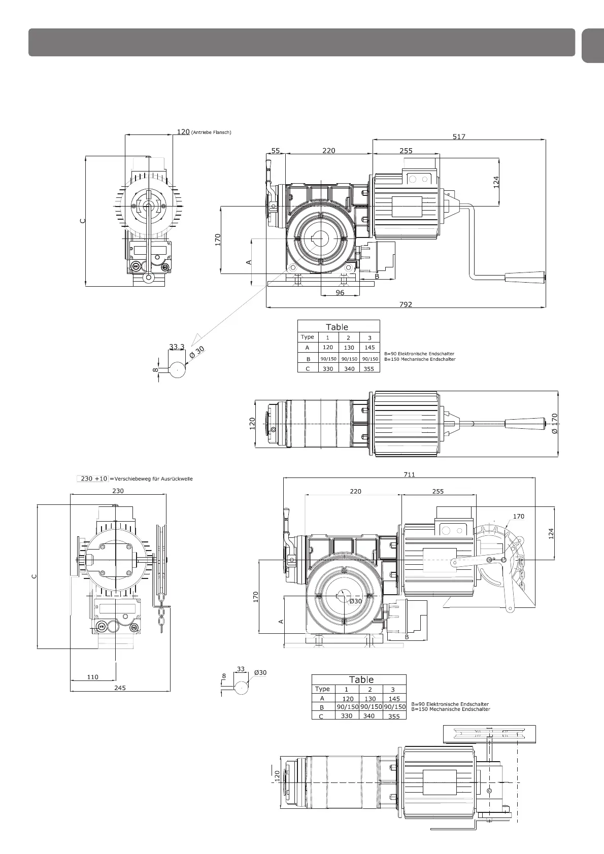
DIMENSIONED GEARMOTOR DRAWINGS FOR ROLLING SHUTTERS
Gearmotors with handle and chain
Ø 12mm
RDF-350-24-KU
RDF-350-24-KE2

Related product manuals