EasyManua.ls Logo

Nice UST1K

Default Icon
132 pages
Go to English
To Next Page IconTo Next Page
To Next Page IconTo Next Page
To Previous Page IconTo Previous Page
To Previous Page IconTo Previous Page
Loading...
6 – Nederlands
NL
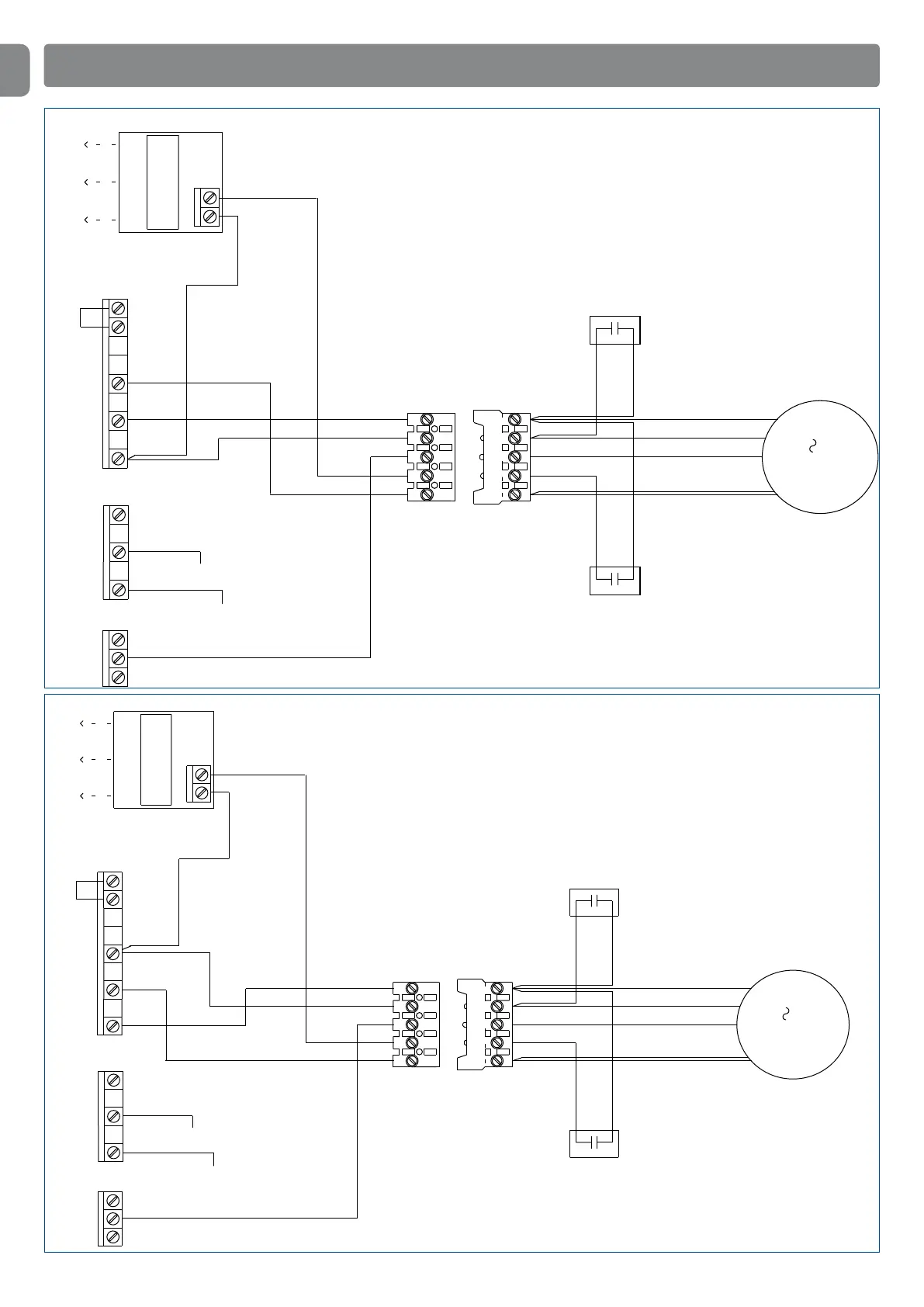
EENFASIGE MOTOR AANSLUITEN
1
2
U V W
X 2
1
2
3
3
20µF
16µF
1
230V
P E
X 1
L 1 L 2 L 3
Motor
Condensator
Condensator
Aansluiting UST1K-1,1kW kaart
1
2
U V W
X 2
1
2
3
3
20µF
16µF
1
230V
P E
X 1
L 1 L 2 L 3
Motor
Aansluiting UST1K-2,2kW kaart
Condensator
UST1K aansluiting X8
Condensator
geel/groen
blauw
bruin
blauw
bruin
blauw
bruin
zwart
geel
geel/groen
blauw
bruin
blauw
bruin
blauw
bruin
zwart
geel
blauw
geel/groen
geel/groen
blauw
Ingang
1x220V fase
Ingang
1x220V neutraal
Ingang
1x220V fase
Ingang
1x220V neutraal
Extra kaart
Extra kabel
Extra kaart
Extra kabel
UST1K aansluiting X8

Related product manuals