EasyManua.ls Logo

Nice UST1K

Default Icon
132 pages
Go to English
To Next Page IconTo Next Page
To Next Page IconTo Next Page
To Previous Page IconTo Previous Page
To Previous Page IconTo Previous Page
Loading...
6 – Italiano
IT
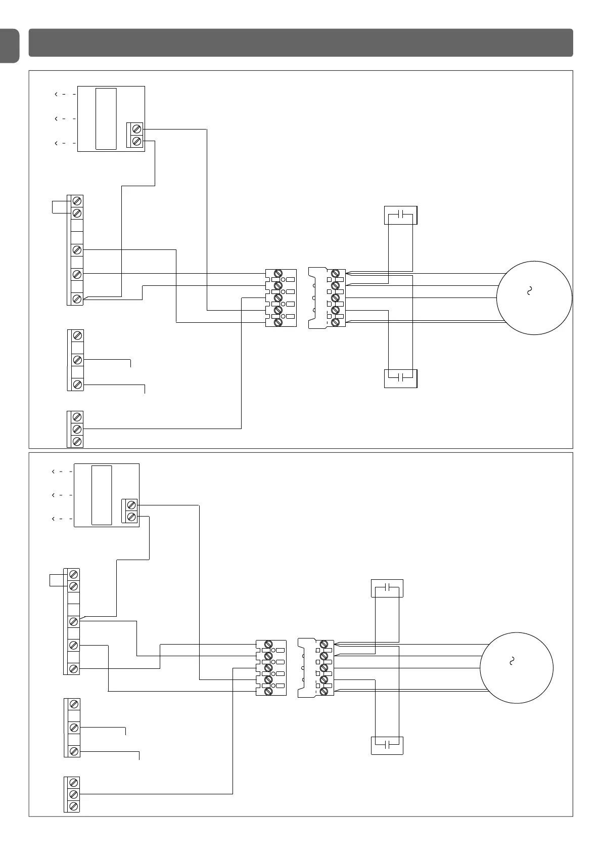
COLLEGAMENTO MOTORE MONOFASE
1
2
UV W
X2
1
2
3
3
20µF
16µF
1
230V
PE
X1
L1 L2 L3
Motore
Condensatore
Condensatore
Collegamento UST1K1,1kW scheda
1
2
UV W
X2
1
2
3
3
20µF
16µF
1
230V
PE
X1
L1 L2 L3
Motore
Collegamento UST1K2,2kW scheda
Condensatore
UST1K collegamento X8
Condensatore
giallo/verde
blu
marrone
blu
marrone
blu
marrone
nero
giallo
giallo/verde
blu
marrone
blu
marrone
blu
marrone
nero
giallo
blu
giallo/verde
giallo/verde
blu
Ingresso
1x220V fase
Ingresso
1x220V neutro
Ingresso
1x220V fase
Ingresso
1x220V neutro
Scheda supplementare
Cavo
supplementare
Scheda supplementare
Cavo
supplementare
UST1K collegamento X8

Related product manuals