EasyManua.ls Logo

Nikon LaserForce - Neckstrap and caps during observation

Nikon LaserForce
26 pages
Print Icon
To Next Page IconTo Next Page
To Next Page IconTo Next Page
To Previous Page IconTo Previous Page
To Previous Page IconTo Previous Page
Loading...
42
En
Fr
43
En
Fr
Modification des réglages
1. Mettez l'appareil sous tension.
2. Pour modifier les réglages, appuyez sur le bouton MODE et maintenez-le enfoncé.
3. Effectuez les opérations ci-dessous pour changer de mode ou de réglage.
• Si vous appuyez sur le bouton MODE: Change de mode.
• Si vous appuyez sur le bouton PWR: Change le réglage du mode affiché.
* Si vous maintenez enfoncé le bouton MODE ou si vous n'utilisez pas le bouton pendant environ 8secondes, le produit
repasse en mode veille.
* Utilisation du bouton MODE
Vous pouvez appuyer de deux façons sur le bouton MODE. Actionner le bouton tout en suivant les descriptions de ce
manuel.
• “Maintenir enfoncé signifie appuyer sur le bouton sans le relâcher pendant 1,5seconde ou plus.
• Appuyer” signifie appuyer rapidement sur le bouton (moins de 1,5 seconde).
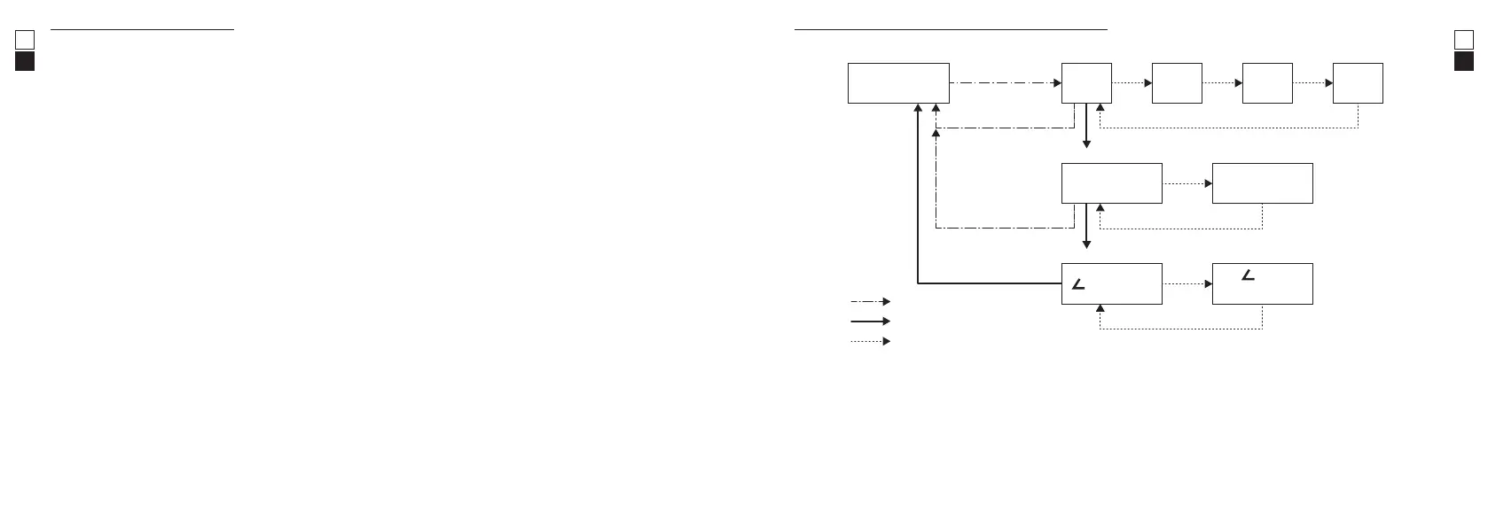
Aperçu de l'utilisation des réglages de mode
Veille IL4 IL1 IL2 IL3
Luminance d'affichage interne: IL
Unité d'affichage de la distance: F1
Mode d'affichage de la mesure: F2
Y (yard) M (mètre)
(distance
horizontale)
(
caché)
(distance réelle)
Appuyez sur le bouton MODE et
maintenez-le enfoncé.
Appuyez sur le bouton MODE.
Appuyez sur le bouton PWR.
Appuyez sur le bouton
MODE et maintenez-le
enfoncé pendant
1,5seconde ou plus.
* Lorsque vous utilisez les réglages de mode, si vous maintenez enfoncé le bouton MODE ou si vous n'utilisez pas le bouton
pendant environ 8secondes, le produit repasse en mode veille.
* Lorsque vous modifiez le réglage d'un mode, ce réglage s'affichera d'abord la prochaine fois que vous sélectionnerez ce mode.

Related product manuals