EasyManua.ls Logo

Norac M2000 - Page 29

Default Icon
47 pages
Print Icon
To Next Page IconTo Next Page
To Next Page IconTo Next Page
To Previous Page IconTo Previous Page
To Previous Page IconTo Previous Page
Loading...
25
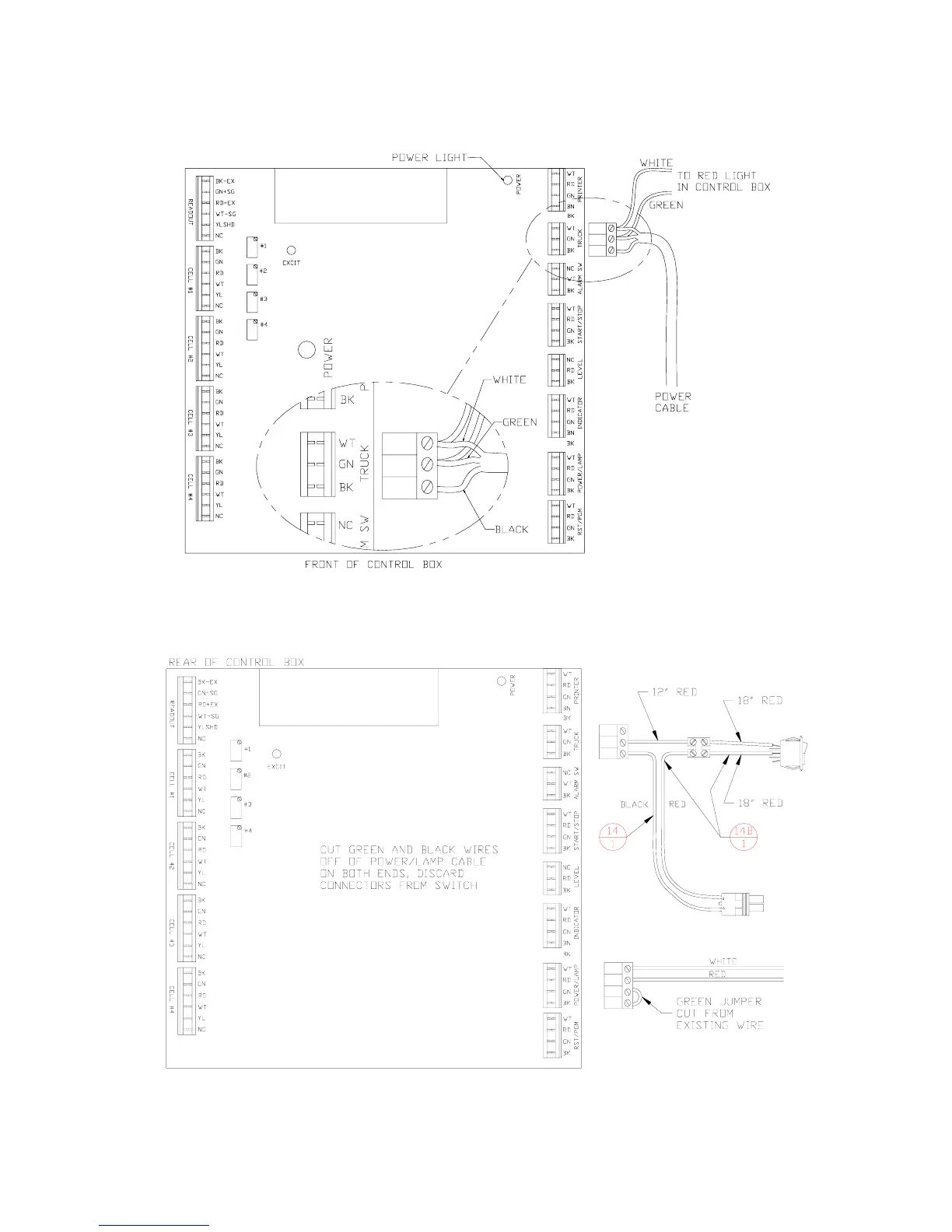
Indicator Wiring, 42300, 42300M
Power Connections OnBoard Application
Power Connections Multiple Animal Scale Applications

Table of Contents