EasyManua.ls Logo

Norac M2000 - Page 30

Default Icon
47 pages
Print Icon
To Next Page IconTo Next Page
To Next Page IconTo Next Page
To Previous Page IconTo Previous Page
To Previous Page IconTo Previous Page
Loading...
26
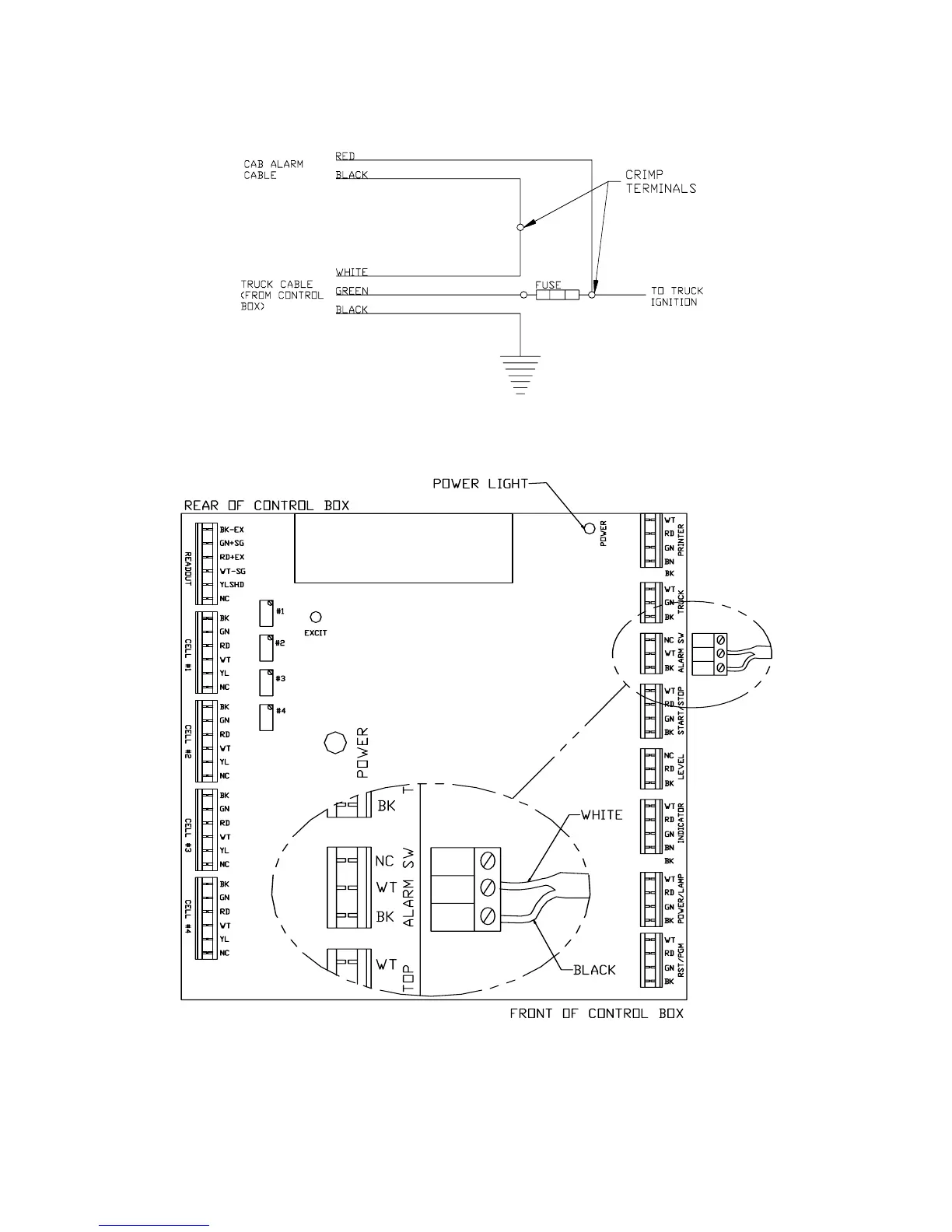
Cab Alarm Wiring (OnBoard Applications)
Scale Up Alarm (Magnetic Reed Switch) Wiring OnBoard Applications

Table of Contents