EasyManua.ls Logo

Norcold 8682 - Page 35

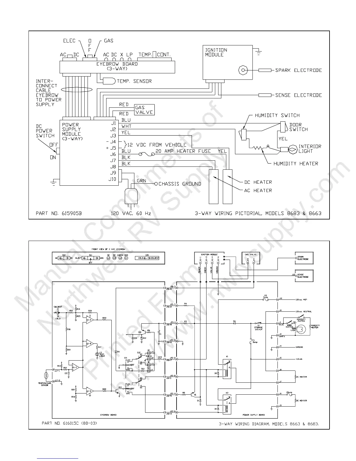
Norcold 8682
38 pages
Print Icon
To Next Page IconTo Next Page
To Next Page IconTo Next Page
To Previous Page IconTo Previous Page
To Previous Page IconTo Previous Page
Loading...
5-35
Manual Compliments of
Northwest RV Supply
Printed From
http://www.nwrvsupply.com

Related product manuals