EasyManua.ls Logo

Norcold DE-704D - Page 7

Norcold DE-704D
8 pages
Print Icon
To Next Page IconTo Next Page
To Next Page IconTo Next Page
To Previous Page IconTo Previous Page
To Previous Page IconTo Previous Page
Loading...
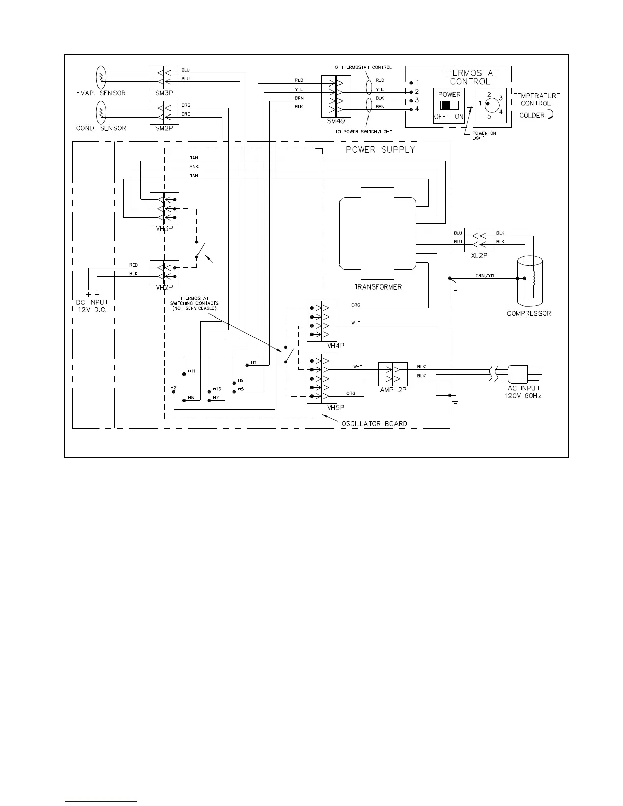
Wiring Diagram DE-704D
Drawin
g
No: C-16296C
7

Related product manuals