EasyManua.ls Logo

NTI C85-340 - Page 27

NTI C85-340
40 pages
Print Icon
To Next Page IconTo Next Page
To Next Page IconTo Next Page
To Previous Page IconTo Previous Page
To Previous Page IconTo Previous Page
Loading...
C 85-340 Installation Checklist - Installation & Operation Instructions Caprice
27
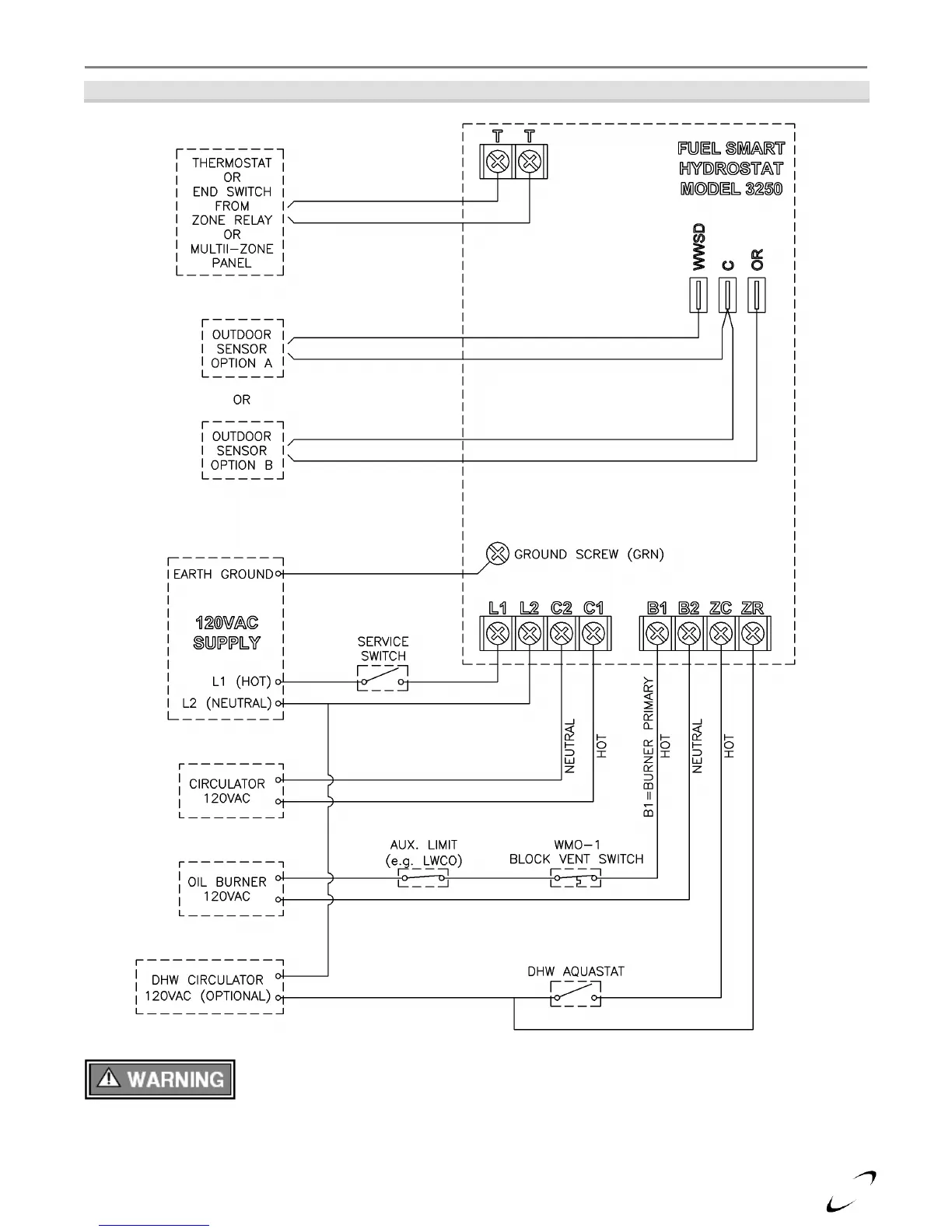
Figure 9-1 Caprice Wiring Diagram
Burner Primary Safety - The Blocked Vent Switch and any other limit device must
break power to the burner primary (B1). Failure to follow these instructions may result in
serious injury or death.

Related product manuals