EasyManua.ls Logo

NTI FTV150 - Page 46

Default Icon
88 pages
Print Icon
To Next Page IconTo Next Page
To Next Page IconTo Next Page
To Previous Page IconTo Previous Page
To Previous Page IconTo Previous Page
Loading...
Boiler and Heating System Piping FTV I&O Manual
46
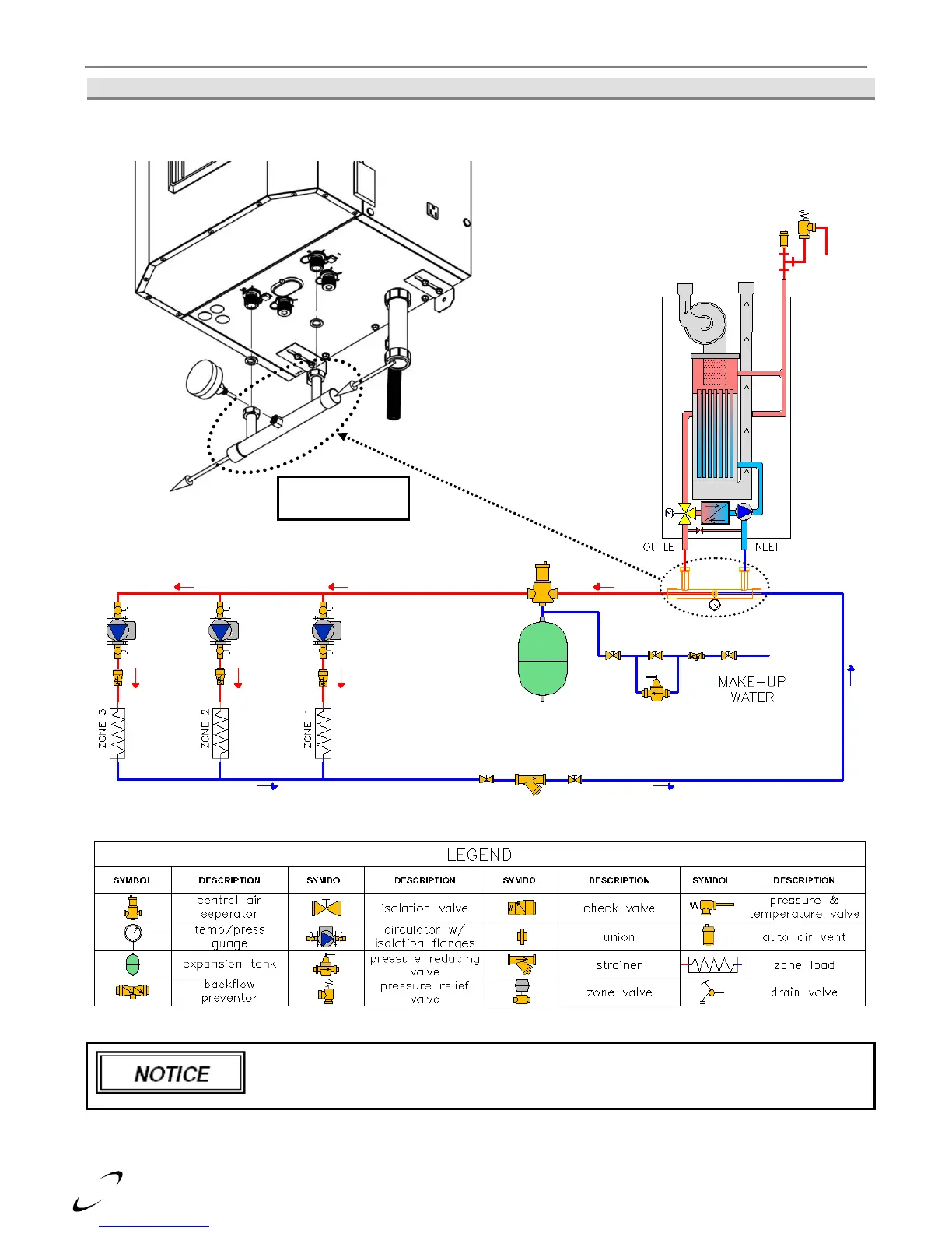
Figure 10-8 Plumbing Schematic Multiple Central Heating Circulators (Combi)
Figure 10-8 illustrates the basic plumbing requirements for an FTV-Combi boiler
installation with multiple Central Heating circulators.
Low Loss Header
(p/n 85110)

Table of Contents

Related product manuals