EasyManua.ls Logo

NTI FTV150 - Plumbing Schematic - Direct to Zones

Default Icon
88 pages
Print Icon
To Next Page IconTo Next Page
To Next Page IconTo Next Page
To Previous Page IconTo Previous Page
To Previous Page IconTo Previous Page
Loading...
Boiler and Heating System Piping FTV I&O Manual
48
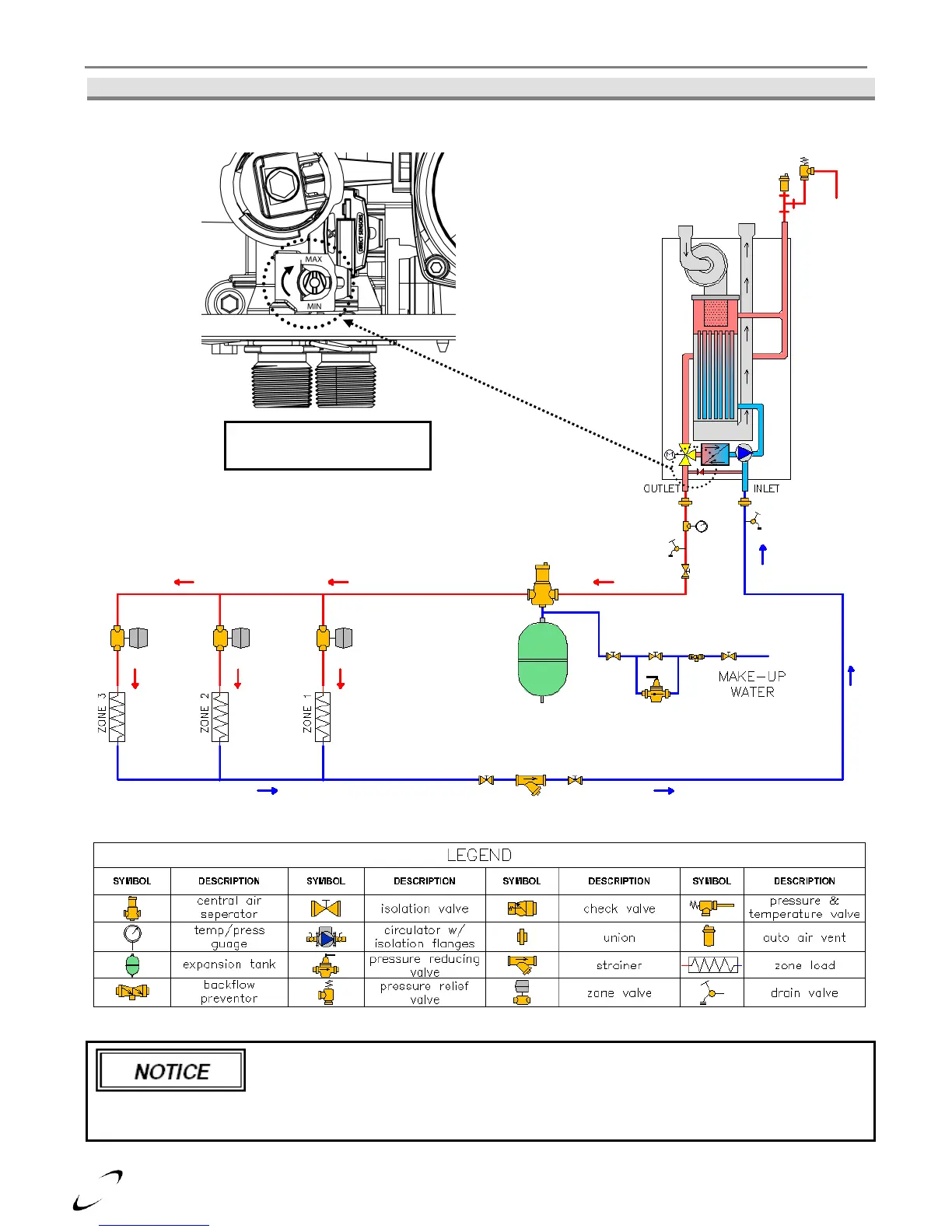
Figure 10-10 Plumbing Schematic Direct to Zones (Combi)
Figure 10-10 illustrates the basic plumbing requirements for an FTV-Combi boiler
installation piped “Direct to Zones”. Limited to zone valve (or non-zone circulator)
distribution systems with small flow requirements, i.e., systems requiring no more than 6
GPM at 9 ft. of head pressure.
Manual Bypass Valve
set to MAX (fully clockwise).

Table of Contents

Related product manuals