EasyManua.ls Logo

NTI Matrix M100 - Page 21

NTI Matrix M100
55 pages
Print Icon
To Next Page IconTo Next Page
To Next Page IconTo Next Page
To Previous Page IconTo Previous Page
To Previous Page IconTo Previous Page
Loading...
21
Matrix Installation and Operation Instructions
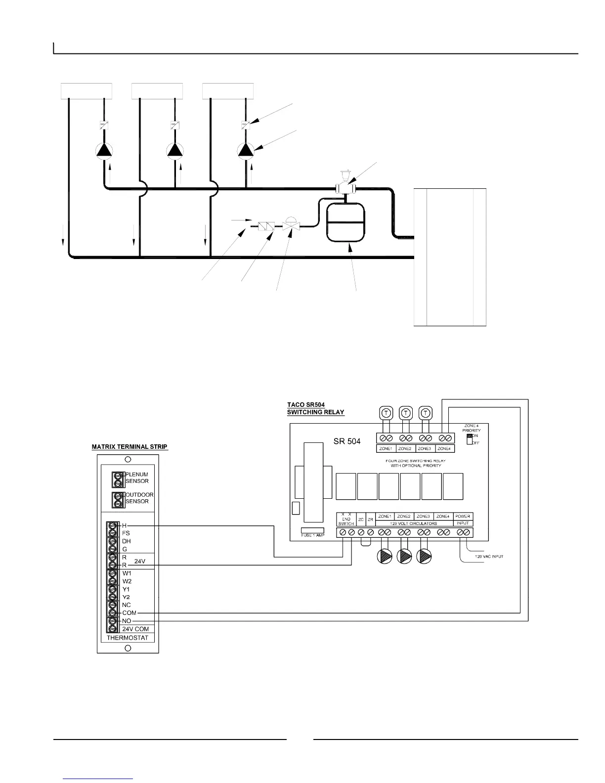
6.3.2(A) Multiple High Temperature Zones (Zone Circulators)
6.3.2(B) Multiple High Temperature Zones (Zone Circulators) – Wiring w/ Zone Controller
Zone #3 Zone #2
Zone #1
Air
Separator
NTI
Make Up
Water
Backflow
Preventer
Pressure
Reducing
Valve
Expansion
Tank
Check
Valves
Zone
Circulators

Related product manuals