EasyManua.ls Logo

NTI Matrix M100 - Page 20

NTI Matrix M100
55 pages
Print Icon
To Next Page IconTo Next Page
To Next Page IconTo Next Page
To Previous Page IconTo Previous Page
To Previous Page IconTo Previous Page
Loading...
20
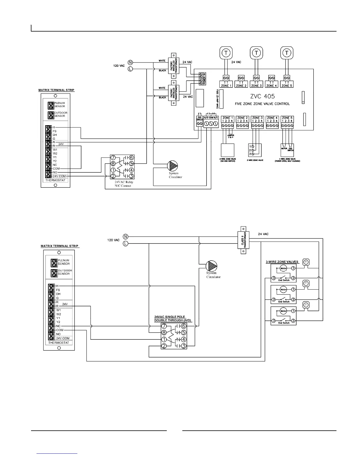
Matrix Installation and Operation Instructions
6.3.1(B) Multiple High Temperature Zones (Zone Valves) – Wiring w/ Zone Controller
6.3.1(C) Multiple High Temperature Zones (Zone Valves) – Wiring w/o Zone Controller

Related product manuals