EasyManua.ls Logo

NTI Matrix M100 - Page 23

NTI Matrix M100
55 pages
Print Icon
To Next Page IconTo Next Page
To Next Page IconTo Next Page
To Previous Page IconTo Previous Page
To Previous Page IconTo Previous Page
Loading...
23
Matrix Installation and Operation Instructions
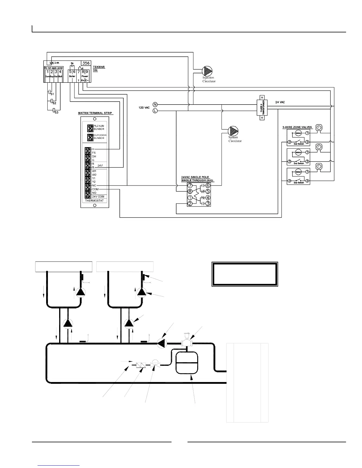
6.3.4(B) Single Controlled-Temperature Zones (Injection System) – Wiring Tekmar 356
6.3.5 Multiple Controlled-Temperature Zones (Injection System)
Multiple Controlled
Temperatures
Air
Separator
Make Up
Water
Backflow
Preventer
Pressure
Reducing
Valve
Expansion
Tank
System Circulators
High Temp Zones
Boiler
Circulator
Temperature
Sensors
NTI
Low Temp. Zones
Injection
Circulators

Related product manuals