EasyManua.ls Logo

NTI Matrix - Page 56

Default Icon
72 pages
Print Icon
To Next Page IconTo Next Page
To Next Page IconTo Next Page
To Previous Page IconTo Previous Page
To Previous Page IconTo Previous Page
Loading...
Installation and Operation Instructions Matrix
56
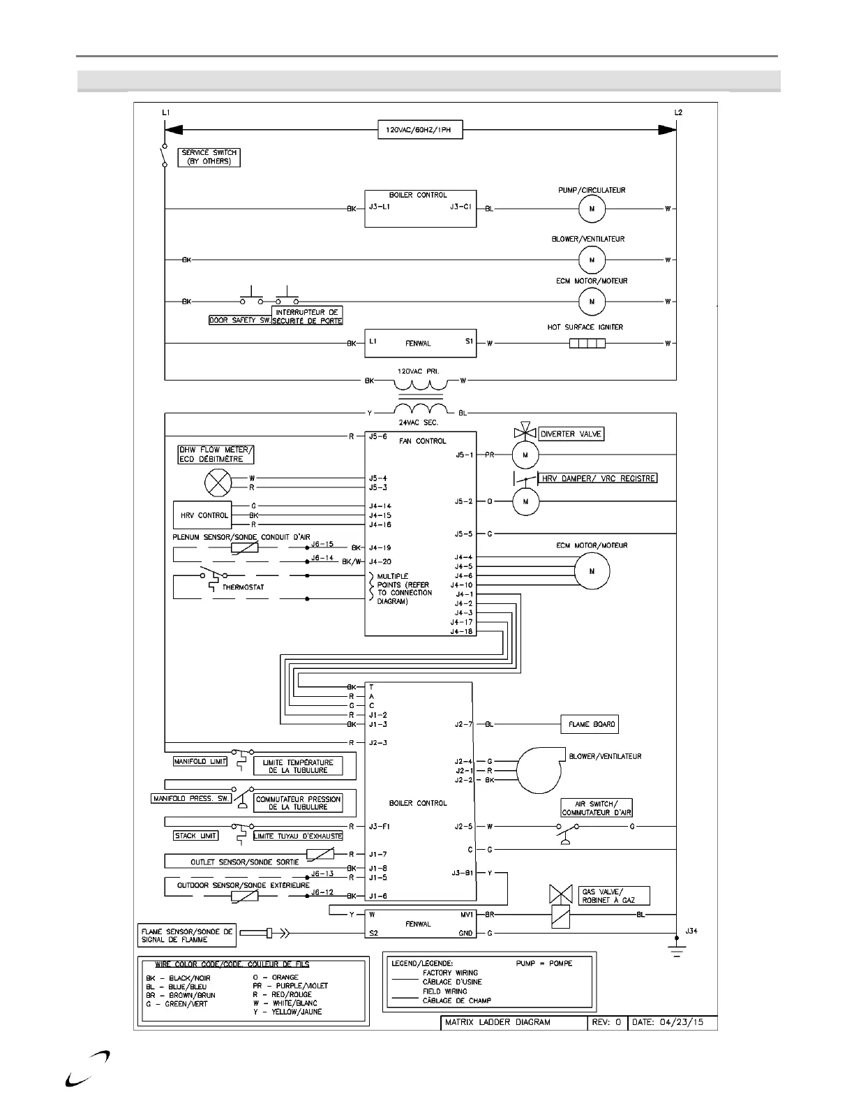
Figure 14-1(b) Ladder/Logic Diagram

Related product manuals