EasyManua.ls Logo

NTI TFTN285 - Dimensions

NTI TFTN285
116 pages
Print Icon
To Next Page IconTo Next Page
To Next Page IconTo Next Page
To Previous Page IconTo Previous Page
To Previous Page IconTo Previous Page
Loading...
Installation and Operation Manual TFTN 085-199
8
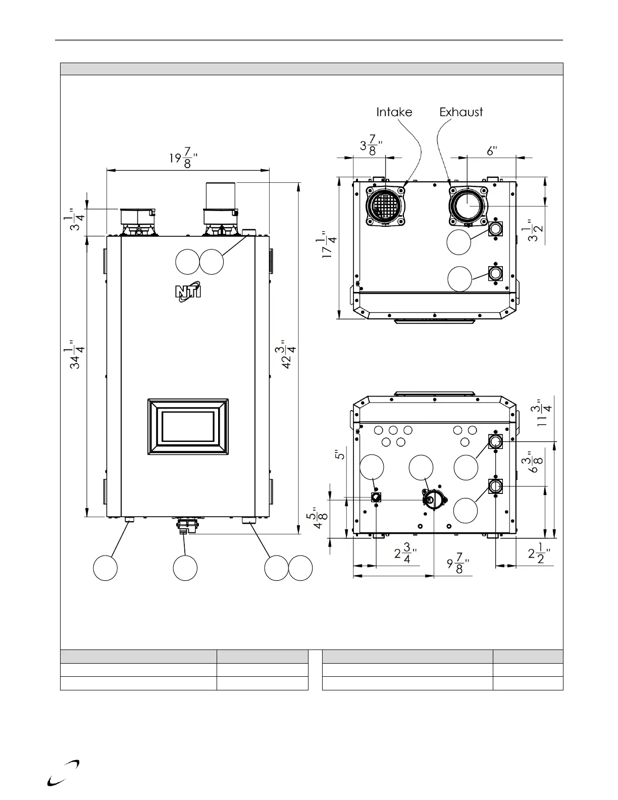
2.2 Dimensions
Figure 2-1 Boiler Dimension (TFTN085-110)
Connection/Description
Size
Connection/Description
Size
A Central Heating Supply
1-1/4 in.
C Gas Inlet
3/4 in.
B Central Heating Return
1-1/4 in.
D Condensate Drain
*
* Condensate trap is factory installed inside the boiler, connect drain to drain tube supplied with the boiler.
C
A
B
D
A
B
C
D
A
B
B
A

Other manuals for NTI TFTN285

Related product manuals