EasyManua.ls Logo

NTI Trinity Tft285 - Page 59

NTI Trinity Tft285
96 pages
Print Icon
To Next Page IconTo Next Page
To Next Page IconTo Next Page
To Previous Page IconTo Previous Page
To Previous Page IconTo Previous Page
Loading...
Tft Series Installation and Operation Instructions Trinity
59
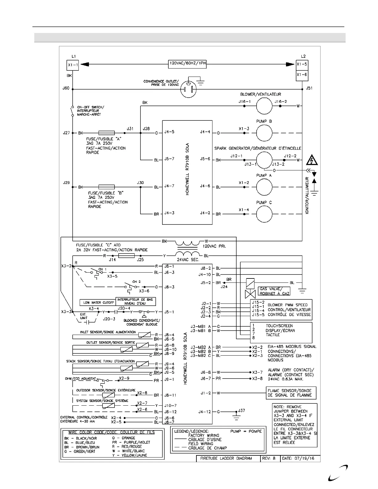
Figure 13-2 Tft Ladder/Logic Diagram

Other manuals for NTI Trinity Tft285

Related product manuals