EasyManua.ls Logo

NTI Trinity Tx200 - Page 44

Default Icon
84 pages
Print Icon
To Next Page IconTo Next Page
To Next Page IconTo Next Page
To Previous Page IconTo Previous Page
To Previous Page IconTo Previous Page
Loading...
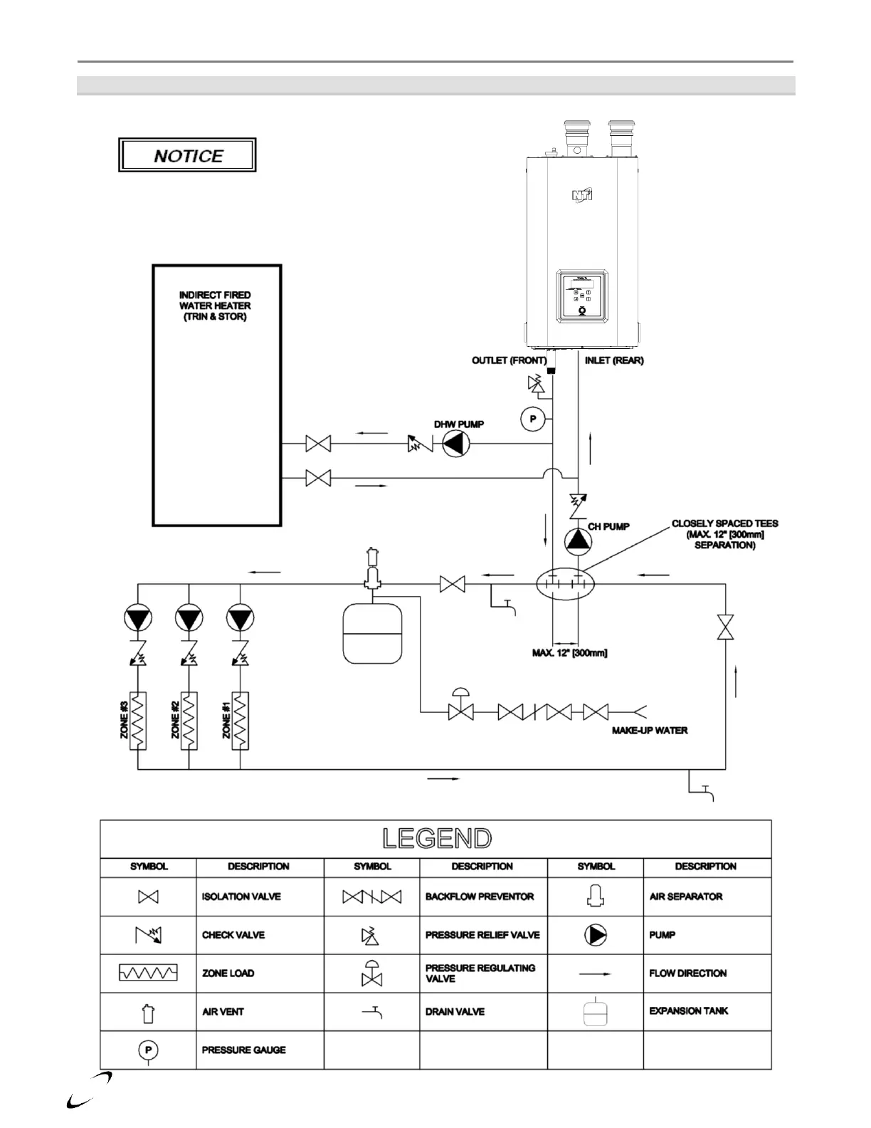
Boiler and Heating System Piping Tx I&O Manual
Figure 10-5 Tx51-200 Primary-Secondary Plumbing (non-Combi)
(Multiple System Circulator Configuration)
Figure illustrates the basic
plumbing requirements for
a Tx51-200 (non-Combi) boiler installation with
multiple Central Heating circulators. Refer to Figures
10-2(a) and 10-2(b) for boiler fitting identification.

Related product manuals