EasyManua.ls Logo

NTI Trinity Tx200C - Page 45

Default Icon
84 pages
Print Icon
To Next Page IconTo Next Page
To Next Page IconTo Next Page
To Previous Page IconTo Previous Page
To Previous Page IconTo Previous Page
Loading...
Tx I&O Manual Boiler and Heating System Piping
45
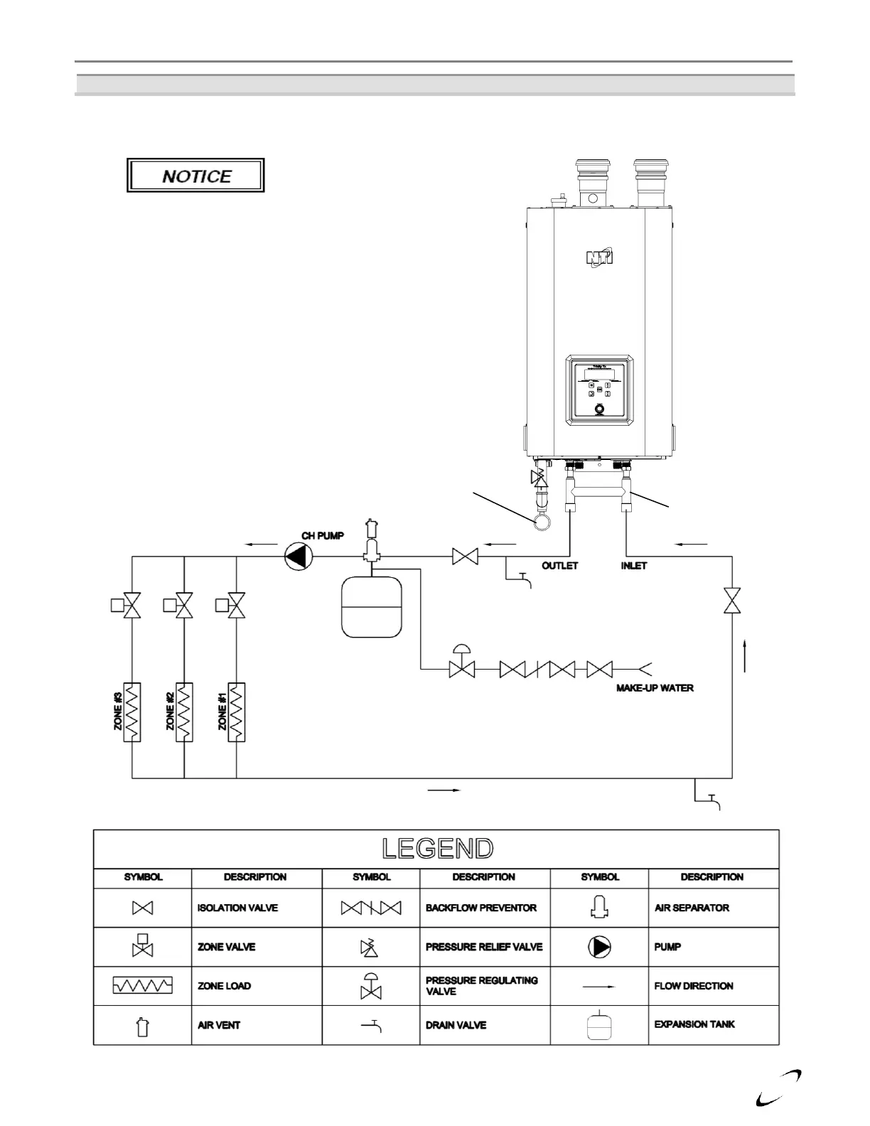
Figure 10-6 Tx151C & Tx200C Primary-Secondary Plumbing (Combi)
(Single System Circulator Configuration)
Figure illustrates the basic
plumbing requirements for
a Tx-Combi boiler installation with a single Central
Heating circulator. Refer to Figures 10-2(c) and 10-
2(d) for boiler fitting identification.
Primary Loop
(factory supplied)
Pressure Gauge
(factory supplied)

Related product manuals