EasyManua.ls Logo

NTI Vmax VM153 - Page 50

NTI Vmax VM153
92 pages
Print Icon
To Next Page IconTo Next Page
To Next Page IconTo Next Page
To Previous Page IconTo Previous Page
To Previous Page IconTo Previous Page
Loading...
Cascade Instructions Vmax I&O Manual
50
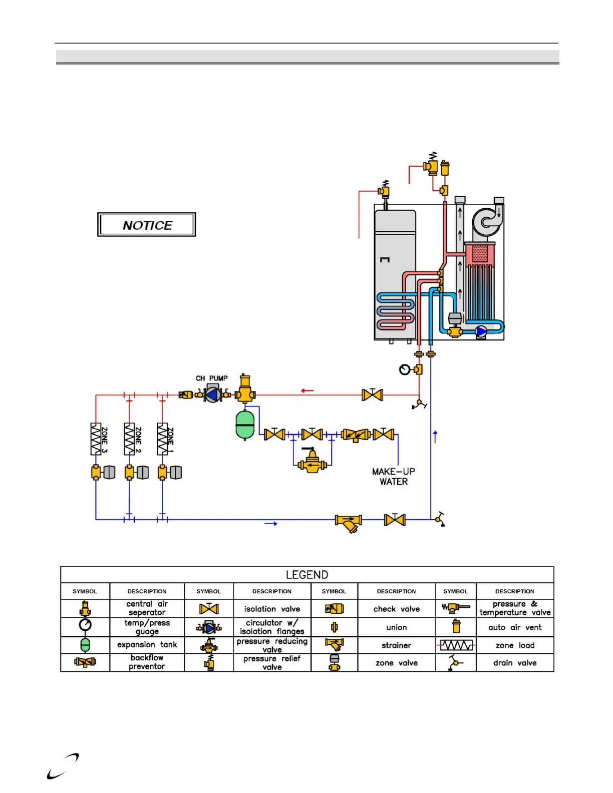
Figure 10-15 VM153P Plumbing Schematic Single CH Pump
Figure illustrates the basic
plumbing requirements for
a VM153P boiler installation with a single Central
Heating circulator. Refer to Figures 10-3 and 10-6 for
boiler fitting identification.

Related product manuals