EasyManua.ls Logo

NTI Vmax VM153 - Cascade Instructions

NTI Vmax VM153
92 pages
Print Icon
To Next Page IconTo Next Page
To Next Page IconTo Next Page
To Previous Page IconTo Previous Page
To Previous Page IconTo Previous Page
Loading...
Cascade Instructions Vmax I&O Manual
58
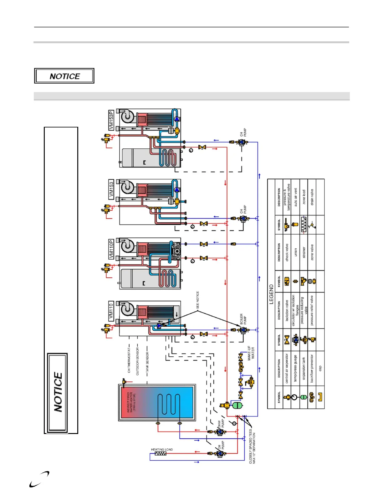
13.0 CASCADE INSTRUCTIONS
The Vmax controller has the internal capacity to cascade (lead-lag / stage) up to 16 Vmax boilers, without the use
of an external controller. Use the instructions detailed in this section to set-up and install the cascade system.
Vmax Plus (VM110P & VM153P) cascades heating an IWH cannot utilizes a Vmax
Plus as the Manager.
Figure 13-1 Cascade Plumbing Schematic
VM110 & VM153 (Manager) when configured as the Manager, non-Plus models
VM110 and VM153, must have the local boiler pump powered by the respective boiler’s
BOILER PUMP output. Furthermore, model VM110 must also have the internal pump
rewired to the BOILER PUMP output (factory wiring is to the CH PUMP output).

Related product manuals