EasyManua.ls Logo

NTI Vmax VM153 - Wiring Schematics; Vmax Connection Diagram

NTI Vmax VM153
92 pages
Print Icon
To Next Page IconTo Next Page
To Next Page IconTo Next Page
To Previous Page IconTo Previous Page
To Previous Page IconTo Previous Page
Loading...
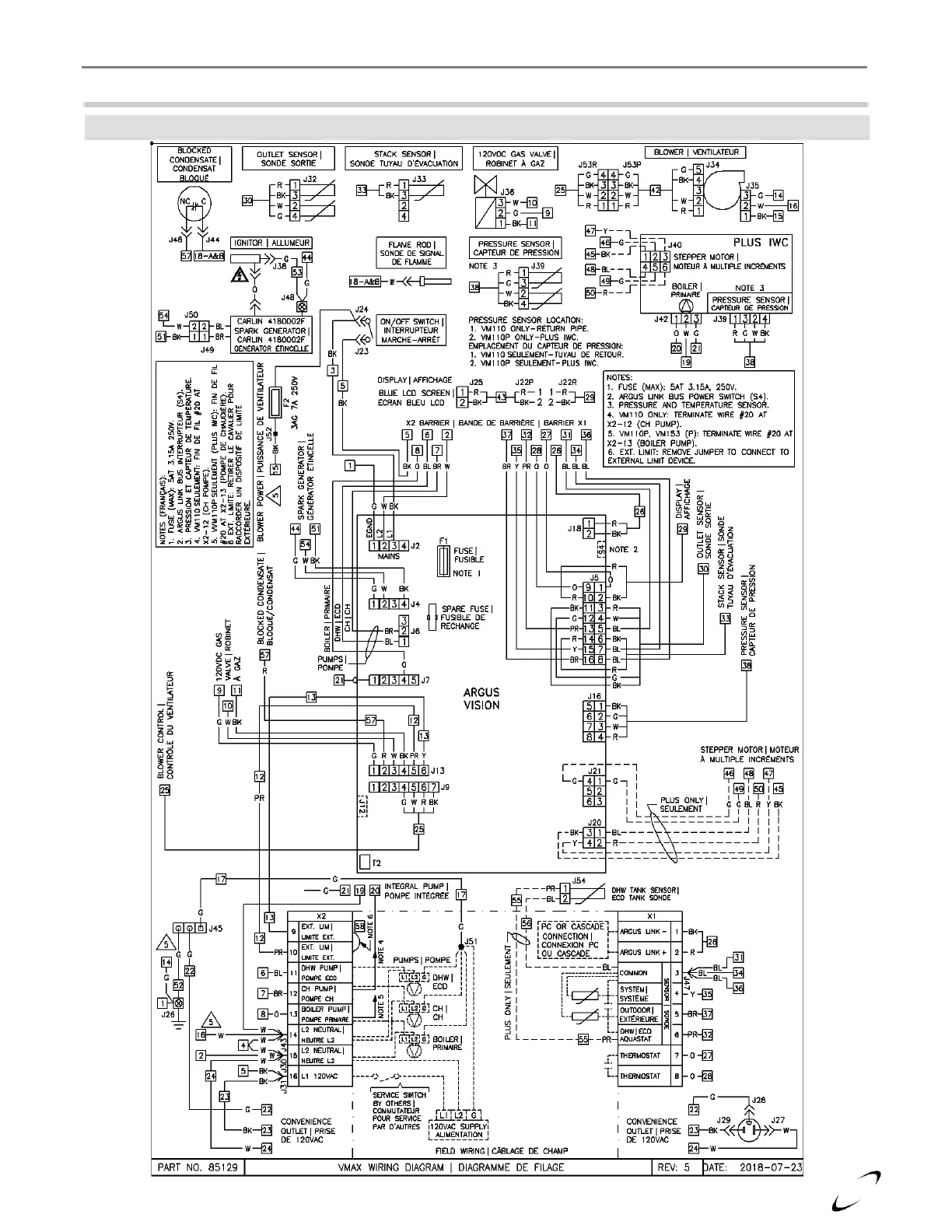
Vmax I&O Manual Wiring Schematics
14.0 WIRING SCHEMATICS
Figure 14-1 Vmax Connection Diagram

Related product manuals