EasyManua.ls Logo

NUM 1060 W - Page 37

Default Icon
388 pages
Print Icon
To Next Page IconTo Next Page
To Next Page IconTo Next Page
To Previous Page IconTo Previous Page
To Previous Page IconTo Previous Page
Loading...
en-938821/2 2 - 5
Product Presentation
2
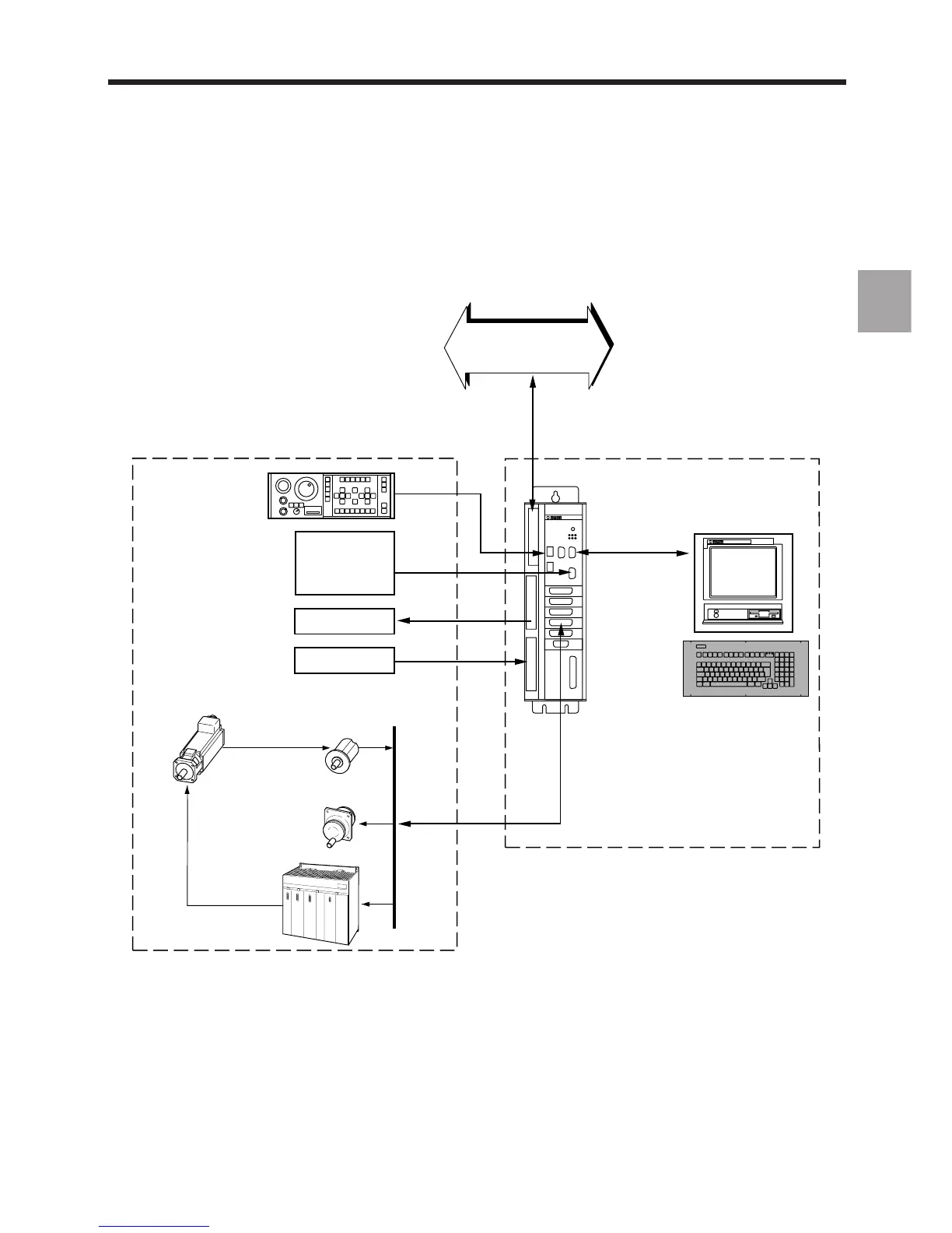
2.1.2.2 NUM 1020, 1040 and 1050 with FTP40 PC Panel
The following diagram illustrates the links between the CNC, the machine and the peripherals for a NUM 1020, 1040
or 1050 system with FTP40 PC panel.
External
interrupts
(measurement
probes)
Sensors
Actuators
Serial line
NUM 1020, 1040
or 1050 CNC
Servo-drive
Motor
Movement
sensor
Additional
handwheels
Axes
MACHINE
INDUSTRIAL NETWORKS
• UNI-TELWAY
• FIPWAY
FTP40 PC panel
and keyboard

Table of Contents

Related product manuals