EasyManua.ls Logo

Numatic ET 4045 - Page 15

Numatic ET 4045
20 pages
Print Icon
To Next Page IconTo Next Page
To Next Page IconTo Next Page
To Previous Page IconTo Previous Page
To Previous Page IconTo Previous Page
Loading...
15
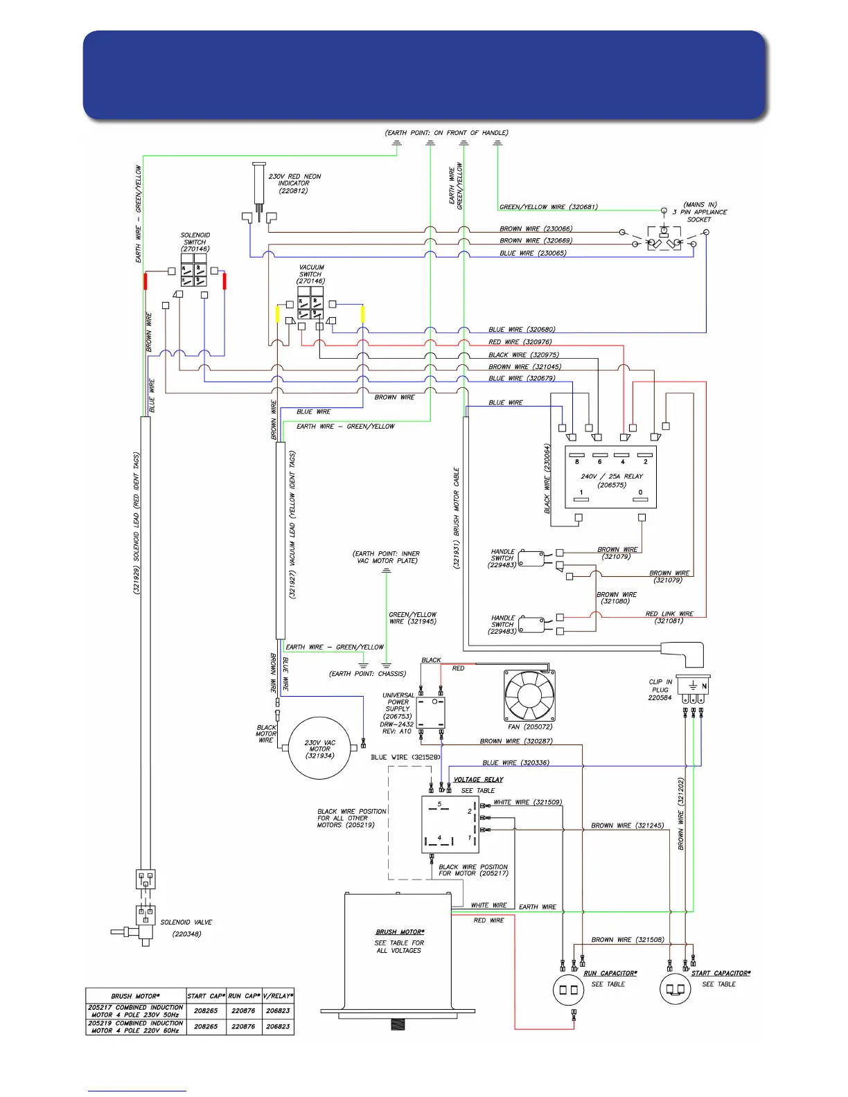
TT 4045 / TT 4055 / ET 4045 220v ~ 230v
DRW - 11855 (A02) 25/10/2012

Related product manuals