EasyManua.ls Logo

NUVE BM 15 - 10 Electrical Circuit Diagram

NUVE BM 15
15 pages
Print Icon
To Previous Page IconTo Previous Page
To Previous Page IconTo Previous Page
Loading...
15
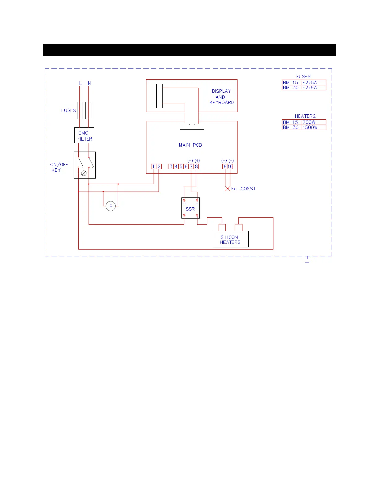
10. ELECTRICAL CIRCUIT DIAGRAM

Related product manuals