EasyManua.ls Logo

NUVE KN 72 - 11 Electrical Circuit Diagram; Kn 72 and Kn 120 Electrical Circuit Diagram

NUVE KN 72
27 pages
Print Icon
To Next Page IconTo Next Page
To Next Page IconTo Next Page
To Previous Page IconTo Previous Page
To Previous Page IconTo Previous Page
Loading...
25
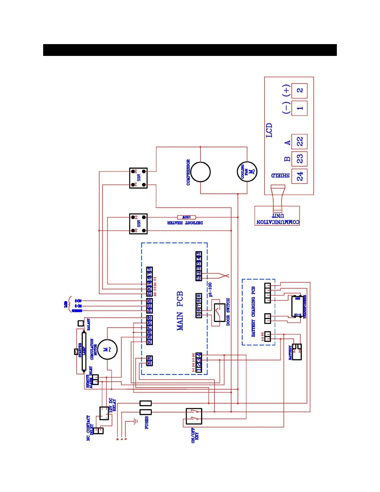
11. ELECTRICAL CIRCUIT DIAGRAM
11.1. KN 72 AND KN 120 ELECTRICAL CIRCUIT DIAGRAM