EasyManua.ls Logo

NUVE KN 72 - Kn 504 Electrical Circuit Diagram

NUVE KN 72
27 pages
Print Icon
To Previous Page IconTo Previous Page
To Previous Page IconTo Previous Page
Loading...
27
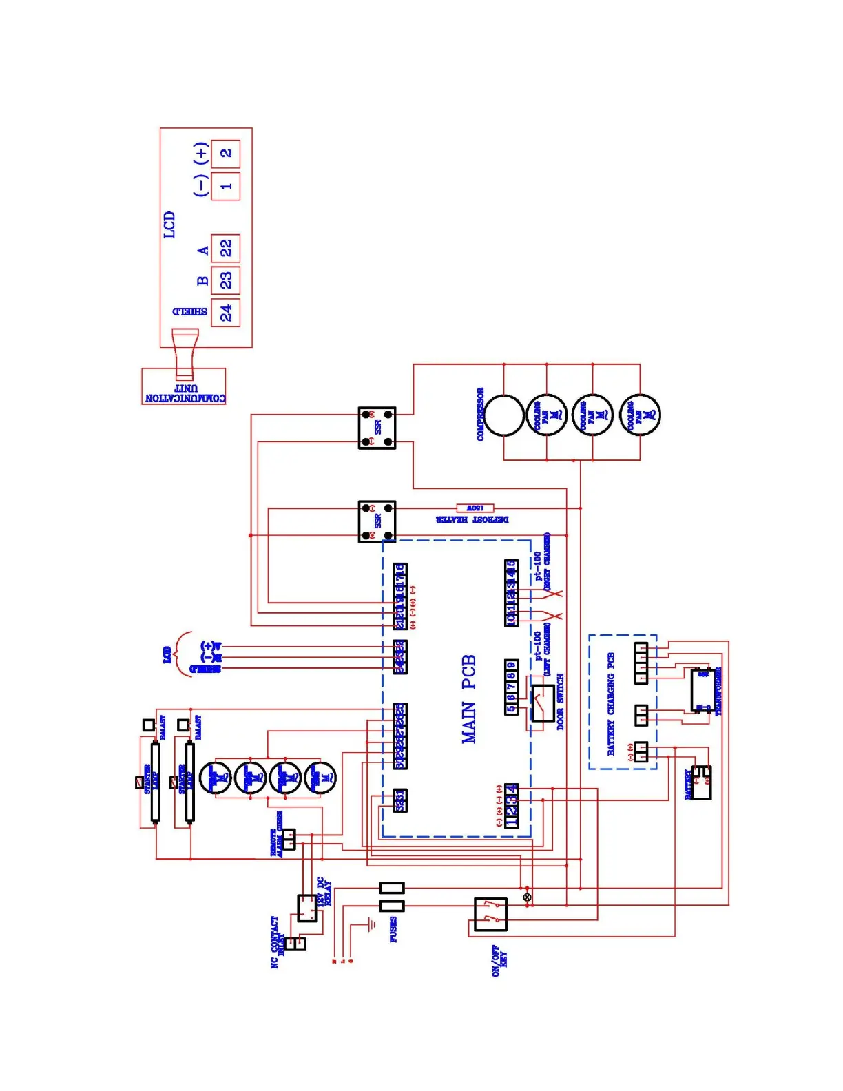
11.3. KN 504 ELECTRICAL CIRCUIT DIAGRAM