EasyManua.ls Logo

Oki B431L6 - Page 172

Oki B431L6
184 pages
Print Icon
To Next Page IconTo Next Page
To Next Page IconTo Next Page
To Previous Page IconTo Previous Page
To Previous Page IconTo Previous Page
Loading...
Appendix C Maintenance Manual for Second Tray unit
Oki Data CONFIDENTIAL
44983601TH Rev.1
Appendix C-11 /
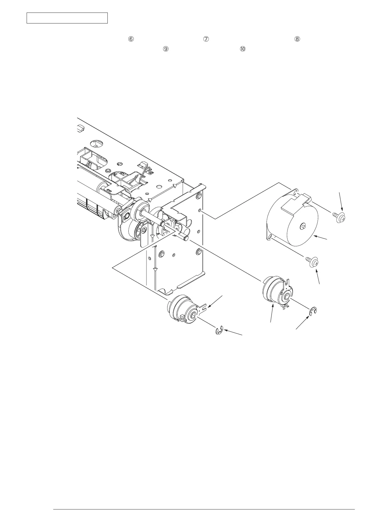
(5) RemovetheE-ring ,Gear-Assy-Clutch(Hop) andGear-Assy-Clutch(Regist) .
(6) Removethetwoscrews(Silver)
. Remove the Motor-Pulse .
(7) Installing is performed by the inverse procedure with removing.

Related product manuals