EasyManua.ls Logo

Oki B431L6 - Page 75

Oki B431L6
184 pages
Print Icon
To Next Page IconTo Next Page
To Next Page IconTo Next Page
To Previous Page IconTo Previous Page
To Previous Page IconTo Previous Page
Loading...
Oki Data CONFIDENTIAL
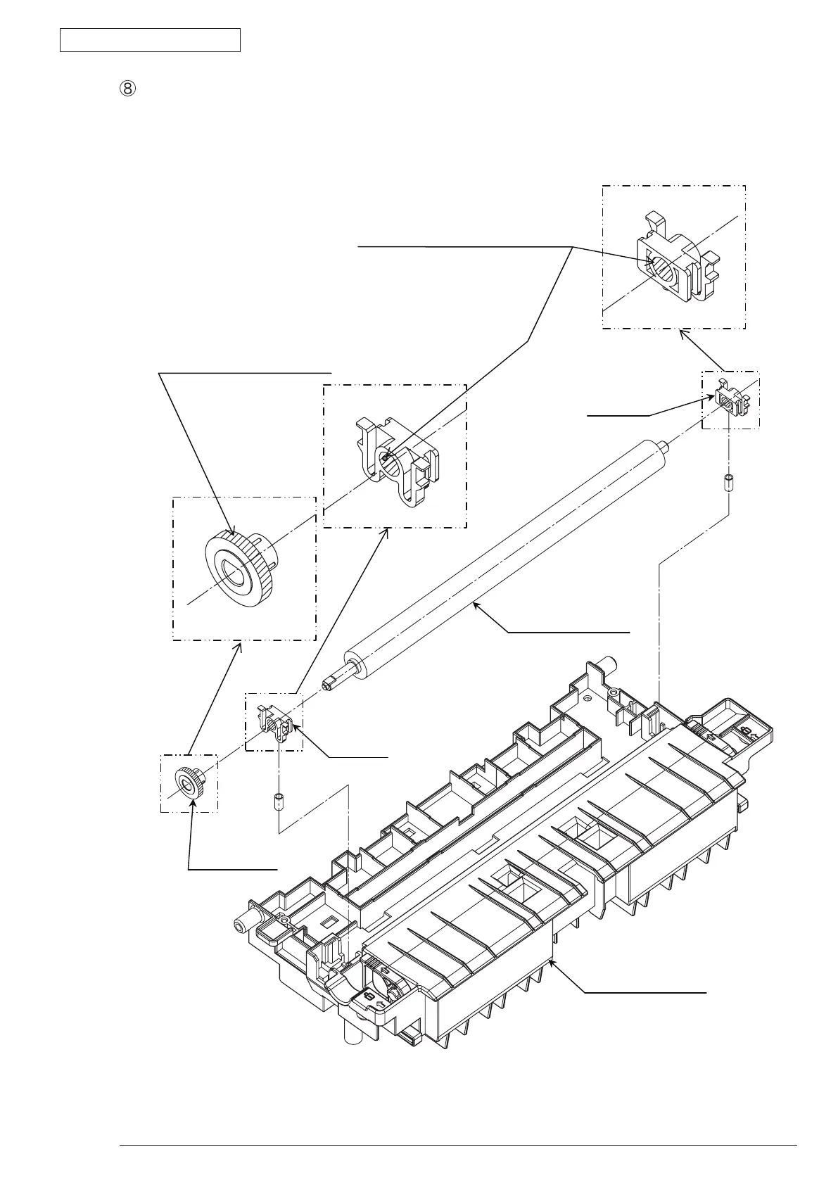
3. Parts replacement
44983601TH Rev.1
3-48 /
-1 Frame-Assy-TR
EM-30LP Class C
Apply a normal amount of
MOLYKOTE(EM-30LP) to the
hatching areas.
(Bearing sliding surface)
EM-30LP Class C
Apply a normal amount of
MOLYKOTE (EM-30LP) to the
hatched areas.
(Gear tooth surface)
Roller-Transfer
Bearing
Frame-Guide-TR
GearTR-Z23
Bearing

Related product manuals