EasyManua.ls Logo

Ole C2020 - Appendix 1 (C2020 Wiring Diagram)

Ole C2020
12 pages
Print Icon
To Next Page IconTo Next Page
To Next Page IconTo Next Page
To Previous Page IconTo Previous Page
To Previous Page IconTo Previous Page
Loading...
Page 10 of 11
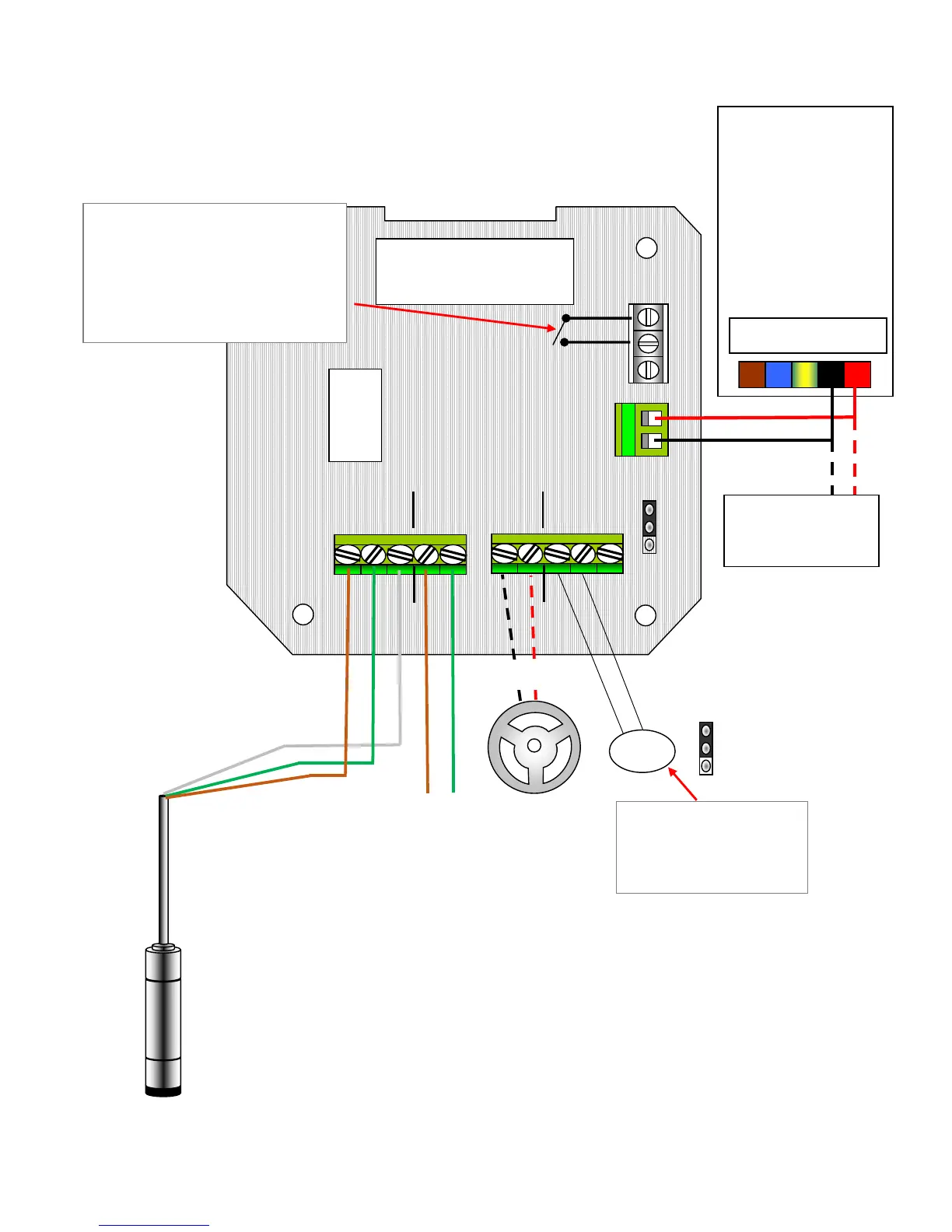
Appendix 1 (C2020 Wiring Diagram)
VIEW FROM BACK
OF CIRCUIT BOARD
MAINS POWER SUPPLY.
Units are supplied with either
24vdc direct connection, or
100/240 Vac power supply.
Power supply connections can
be made by REMOVING the
mounting bracket screws
temporarily.
Power supply Part No T4020-EG
END VIEW POWER
CONNECTIONS
L N E - DC +
For Standard
Voltage Sensor
… wire like this.
C2020-C23/25/27
For mA Sensor
… wire like this.
T4020-Axx and Bxx
Series
3M, 5M and 10M
Bund Alarm is an input for a
mechanical float switch Bund Alarm.
Set NC, (normally closed).
Remove link and wire to these
terminals if Bund Alarm is used
5v Sig 0v +V Sig
Voltage mA
-------- Inputs ---------------------
0 + Gnd Sig V
Alarm Loop / Pass
-------- Outputs --------------
mA
OUTPUT Analog
4-20 milliamp.
Loop = Powered by C2020
(& Multimeter Check)
Siren if fitted
Optional 12-24VDC
Client Supplied
Power Connection

Other manuals for Ole C2020

Related product manuals